Introducción
Los resonadores de cristales de cuarzo (QCR) son transductores electromecánicos utilizados para el análisis en medios complejos. Tienen una amplia gama de aplicaciones, la más tradicional es la gravimetría (microbalanza de cristal de cuarzo - QCM). Las bases de la técnica gravimétrica fueron expuestas por primera vez por Günter Sauerbrey en 1959 (Sauerbrey, 1959). En la década de 1980 Kanazawa propuso el uso de los resonadores de cristal de cuarzo en aplicaciones de caracterización de líquidos (Kanazawa y Gordon, 1985). Esta propuesta significó ampliar el uso de los cristales de cuarzo a nuevas líneas de investigación, especialmente la biomédica debido a que todas las muestras biológicas requieren de un medio líquido para conservar sus propiedades. Actualmente hay varias aplicaciones que aprovechan la utilidad del cristal para determinar propiedades de líquidos en contacto con la superficie del cristal (aplicaciones no gravimétricas) (Carvajal Ahumada et al., 2016; Dewar y Joyce, 2005; Höök et al., 2001). Estas aplicaciones resultan interesantes ya que analizando correctamente las propiedades reológicas de los fluidos es posible relacionar estas propiedades con alguna enfermedad en particular; por ejemplo: cambios en la viscosidad de la sangre están relacionados con enfermedades cardiovasculares y cambios en la viscosidad del líquido sinovial están relacionados con enfermedades artríticas (Pitsillides, 1999; Swan et al., 2002).
En particular, para analizar fluidos con comportamiento No-Newtoniano (fluidos biológicos) utilizando viscosímetros convencionales, tal como el utilizado en este estudio (Viscosímetro Fungilab Smart) como instrumento de referencia, existe una limitante importante en relación a la cantidad de muestra que se requiere. Mientras con la implementación de un viscosímetro basado en QCR se requieren decenas de microlitros de muestra, con un viscosímetro como el utilizado en este estudio como instrumento de referencia (Fungilab Smart) se requieren en promedio 60mL de acuerdo con el volumen requerido para husillo recomendado por el fabricante (husillo L2).
Debido a que los QCR son simplemente el transductor, hace falta el diseño de una electrónica que permita obtener las señales de corriente y voltaje con las cuales se pueda caracterizar la impedancia o la admitancia del cristal. De esta manera es posible relacionar el comportamiento del cristal antes y después de entrar en contacto con la muestra, lo que permite de manera indirecta conocer las propiedades de la muestra, en particular, su viscosidad. Por esta razón, antes de mostrar el diseño propuesto y los resultados obtenidos, es importante explicar el modelo físico de los QCR.
Teoría
Las variables de interés relacionadas con la interacción entre la muestra depositada y la respuesta del cristal de cuarzo son dos: La frecuencia de resonancia serie (Fs), la frecuencia de resonancia a cero fase (Fr) y el medio ancho de banda (Γ) (Figura 1) En el caso del análisis de viscosidad, tanto el valor de Fs como el de Γ dependen de las características del líquido depositado.
Fundamentos QCR
La frecuencia de resonancia serie (Fs) se define como la frecuencia a la cual la conductancia equivalente del cristal es máxima y la frecuencia de resonancia a cero fase (Fr) se define como la frecuencia a la cual la susceptancia equivalente del cristal es cero.
En teoría, cuando el cristal se encuentra en resonancia el valor de Fs y Fr deberían ser el mismo. Sin embargo, en la práctica no es así ya que existe una capacitancia C0 en paralelo al sistema resonante que modela el cristal (Figura 2) y que genera un desfase entre las dos frecuencias. C0 se debe al efecto capacitivo que producen los dos electrodos que están en contacto con el cristal de cuarzo. El circuito externo de adquisición también aporta a este valor de capacitancia C0.
Para una capa delgada depositada sobre uno de los electrodos del cristal (electrodo activo) el desplazamiento de la frecuencia de resonancia del cristal es del orden de hertz de acuerdo con la ecuación de Sauerbrey (1)(Sauerbrey, 1959):
Donde Pq y G q son la densidad y el módulo de corte (módulo de Young) del cuarzo respectivamente, f0 es la frecuencia de resonancia fundamental relacionada con el grosor del cristal h q , Δm es la cantidad de masa depositada, A es el área activa en el cristal y n es el sobre tono de vibración.
En contacto con líquidos, el cristal es capaz de dar in- formación acerca del producto de densidad-viscosidad del fluido √pn (Bandey et al., 1998; Jakoby, Art, y Bas- temeijer, 2005), debido al cambio de la frecuencia de resonancia y al factor de calidad del cristal de acuerdo con la ecuación de Kanazawa (3) (Kanazawa y Gor- don, 1985):
Donde Z
q
es la impedancia acústica del cristal
ω es la frecuencia angular ω = 2nf y pL y nL son la densidad y la viscosidad del líquido respectivamente.
La ecuación (4) muestra una expresión más general que (3) en la cual se tiene en cuenta el cambio en el medio ancho de banda
.
El medio ancho de banda
brinda información adicional muy importante; por ejemplo: es útil para determinar las propiedades viscoelásticas del fluido. Ambos valores Fs y
están relacionados por el factor de calidad del resonador:
Otro valor de relevancia es la resistencia motriz Rq definido como el valor inverso del pico en la curva de conductancia del cristal, En otras palabras, el valor que toma la impedancia equivalente del cristal a la frecuencia de resonancia serie (Fs). Esta resistencia está relacionada con las pérdidas de energía debido a la vibración mecánica del cristal (Auge et al., 1995).
Adicional a las ecuaciones de Sauerbrey y Kanazawa para explicar el comportamiento del cristal cerca a la frecuencia de resonancia, también se cuenta con un modelo eléctrico equivalente. Este modelo fue desarrollado por Butterworth-van Dyke con base en la teoría de líneas de transmisión de Mason (Granstaff y Martin, 1944) (Figura 2).
El modelo eléctrico equivalente BVD se explica en detalle en: (Granstaff y Martin 1994; Arnau 2008; Calvo et al., 1997; Kim et al,. 2014; Cassiède et al., 2010)
Tipos de fluidos
Los fluidos pueden tener diferente comportamiento de acuerdo a sus propiedades reológicas. En este trabajo se estudiaron muestras con comportamiento Newtoniano (Viscosidad uniforme) y con comportamiento viscoelástico y pseudoplástico (viscosidad dependiente de la velocidad de deformación). La velocidad de deformación o de cizallamiento es directamente proporcional a la frecuencia de oscilación del sistema (Figura 3).

Figura 3 Esfuerzo vs velocidad de deformación para fluido Newtoniando (rojo) y fluido pseudoplástico (negro)
En un fluido Newtoniano el componente elástico es uno existiendo solamente un esfuerzo viscoso. Adicionalmente, el esfuerzo viscoso debido al flujo causado por la velocidad de deformación es lineal en cada punto. Considerando la viscosidad como la relación entre el esfuerzo y la velocidad de deformación, para líquidos Newtonianos la viscosidad es constante para todo valor de velocidad de deformación. Resolviendo (4) para obtener la viscosidad considerando n’L = const, n’’L = 0, se obtiene la ecuación (6):
La ecuación (6) sugiere que para fluidos Newtonianos Δf=Δ
. En consecuencia, para fluidos Newtonianos no es necesario obtener ambos valores, con (f es suficiente para conocer el valor de la viscosidad de la muestra siempre que se conozca previamente su densidad.
A la frecuencia de resonancia f=f0:
De esta manera se llega a la ecuación de Kanazawa (3) valida solo para líquidos Newtonianos.
Por otro lado, cuando un fluido viscoelástico con comportamiento pseudoplástico es caracterizado con un QCR (alta velocidad de deformación), el desplazamiento en frecuencia ΔF obtenido es varias veces menor al esperado (Fang et al., 2015; Nwankwo y Durning, 1998). Debido a esto no es posible comparar las medidas obtenidas con un QCR y medidas hechas con un viscosímetro tradicional ya que la viscosidad aparente obtenida con el QCR será similar a la viscosidad del solvente de la dilución (Fang et al., 2015). El comportamiento pseudoplástico está relacionado con la velocidad de deformación aplicada. Concretamente, la viscosidad para fluidos pseudoplásticos disminuye con el aumento de la velocidad de deformación (García Abuín et al.,2011)
De acuerdo con (Rao, 2007), los fluidos pseudoplásticos tienen tres estados relacionados con el rango de velocidad de deformación aplicada. En un primer estado, a bajas velocidades, estos fluidos muestran comportamiento Newtoniano con una viscosidad denominada viscosidad a cero velocidad de deformación (η0). En un segundo estado, la viscosidad decrece de acuerdo con el aumento de la velocidad de deformación. En un tercer estado, a muy altas velocidades de deformación, el fluido vuelve a tener comportamiento Newtoniano con una viscosidad “a velocidad infinita” relacionada con la viscosidad del solvente de la solución (ηs).
El viscosímetro utilizado como referencia en los experimentos realizados (Fungilab Smart), genera una velocidad de deformación varios órdenes de magnitud menor que el resonador QCR. La frecuencia de deformación relacionada con la velocidad, en el caso del viscosímetro no supera el 1Hz mientras que el cristal de cuarzo utilizado tiene una frecuencia de resonancia nominal de 10MHz.
Para poder comparar las dos medidas se hace necesario un factor adicional que extrapole la medida a alta velocidad de deformación a un valor de viscosidad comparable a baja velocidad. En este estudio se ha utilizado el modelo Rouse para obtener dicho factor χ[ωτ0]. Este factor depende de la frecuencia angular ω y del tiempo de relajación de la muestra τ0, (Nwankwo y Durning, 1998). El modelo Rouse asume que las moléculas son esferas unidas por resortes flexibles (Larson, 2005).
La ecuación (8) muestra el tiempo de relajación τ0 con la viscosidad a cero velocidad de deformación y la viscosidad del solvente de la solución.
Donde M es el peso molecular del polímero, el valor del peso molecular de la albúmina utilizado fue de 67kDa. R es la constante de gases (8.314 J·K-1·mol-1), T es la temperatura a la que se hicieron las medidas en unidades Kelvin (288 para este estudio), la viscosidad del solvente es 1mPa·s (agua) y p es la densidad del fluido. La densidad del fluido se obtiene de manera externa utilizando una balanza analítica y pesando los 100μL de muestra. La viscosidad a cero velocidad de deformación fue obtenida utilizando el viscosímetro fungilab a muy baja velocidad de deformación (0.1 rpm).
De acuerdo con (Nwankwo y Durning, 1998), el delta de frecuencia obtenida, Δω, se puede expresar como:
Donde, Δω0 está relacionado únicamente con el componente viscoso de la muestra (comportamiento Newtoniano) expresado con la ecuación de Kanazawa (3).
La ecuación (10) es igual a la ecuación de Kanazawa (3).
De acuerdo con (Nwankwo y Durning, 1998), el factor x se define como:
El valor tan(δ), denominado tangente de pérdidas, cuantifica el balance entre la energía perdida y la almacenada. En otras palabras, un valor de tangente de pérdidas mayor que la unidad indica un comportamiento más “líquido” del fluido (mayormente viscoso), mientras que uno menor a la unidad indica un comportamiento más “sólido” (mayormente elástico).
En el modelo Rouse, el valor ν=2 y ζ(ν) es la función Zeta de Riemann (Nwankwo y Durning, 1998).
Utilizando el factor χ y el desplazamiento de frecuencia Δω obtenido con el QCR es posible obtener un nuevo valor de delta de frecuencia Δω0 que sería el mismo que generaría un fluido puramente viscoso (Newtoniano). De esta manera se puede obtener un valor de viscosidad comparable al obtenido con el viscosímetro utilizando la ecuación (10).
Métodos
Cristales y Celda de flujo
Se utilizaron cristales de cuarzo con frecuencia fundamental de 10MHz, los cristales tienen un diámetro de 25mm y dos electrodos de oro, uno en cada cara del cristal, de 5mm de diámetro. Los cristales fueron suministrados por International Crystal Manufacturing (Figura 4)
También se diseñó una celda de flujo que permite la entrada y salida de la muestra sobre la superficie activa del cristal de cuarzo brindando además soporte mecánico al cristal de cuarzo sujetándolo en cada una de sus caras mediante O-rings. La celda se compone de dos partes mecanizadas en polimetilmetacrilato y la fijación entre ellas se realiza mediante imanes. (Figura 5)
Diseño del micro viscosímetro usando QCR
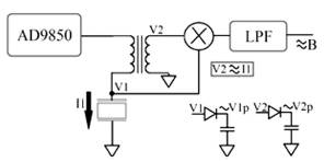
El circuito consiste en un generador de señal AD9850 capaz de crear una onda sinusoidal desde 1Hz a 40MHz con paso de 1Hz. Esta señal es controlada en amplitud (Amplificada/Atenuada) utilizando el amplificador operacional OPA690IDR y una resistencia digital variable X9C102P que es controlada desde la interfaz de usuario en Labview a través de Arduino DUE.
La señal de salida del amplificador es conectada a un circuito serie del primario de un transformador toroidal y el cristal cuarzo. El transformador es utilizado como sensor de corriente. La corriente que fluye a través de su primario, es proporcional al voltaje que surge en su secundario. Dicha corriente es la misma que fluye por el cristal ya que están en serie. La relación de vueltas del toroide es 1:1 (Figura 9)
La señal de voltaje V1 y de voltaje V2 (corriente del cristal) son rectificadas y filtradas de acuerdo con la Figura 9. Con este sistema podemos obtener un valor aproximado del pico de la señal para cada valor de frecuencia. La señal proporcional a la susceptancia B se obtiene de acuerdo al esquema propuesto por (Nakamoto y Kobayashi, 1994) en el cual la señal V1 y V2 son multiplicadas generando una señal a dos frecuencias (2ω) y (DC). La señal DC es proporcional a la parte imaginaria de la admitancia del cristal debido a que el transformador toroidal desfasa la señal 90°(Carvajal Ahumada et al., 2016).
La Figura 11 muestra el esquema general de comunicación del prototipo. La interfaz de usuario en Labview obtiene los datos de configuración necesarios (rango de frecuencias del barrido, delta de barrido, amplitud de la señal, puerto COM de Arduino). También configura una dirección válida en el ordenador para almacenar los resultados. Esta información es codificada y transmitida de Labview a Arduino mediante comunicación serie. Arduino decodifica la información y configura el módulo generador y también la resistencia digital. De esta manera se efectúa un barrido en frecuencia de acuerdo con los parámetros configurados por el usuario.
Para cada valor de frecuencia, la tarjeta Arduino obtiene tres valores de señal analógicos (V1, V2 y B) mostrados de la Figura 9. Los valores son obtenidos utilizando los ADC’s que posee la tarjeta arduino DUE. Estos valores de voltaje ya digitalizados, son codificados y enviados de Arduino a Labview mediante la misma comunicación serial. Al graficar estos valores en Labview para todo el rango de frecuencias configurado, se obtienen gráficas como la mostrada en la Figura 9. La Figura 10 muestra las curvas de admitancia visualizadas desde la interfaz gráfica de LabView.
Labview obtiene los valores de conductancia (G) y de susceptancia (B) con las siguientes ecuaciones:
En la Figura 12 se muestra el prototipo electrónico construido, en este se evidencia el Arduino DUE, el generador de señal sinusoidal y la electrónica descrita anteriormente para obtener las señales de interés
En la Figura 13 se observa el sistema total integrado del micro viscosímetro, y se aprecia el prototipo electrónico, la celda de flujo con el cristal de cuarzo, la interfaz de usuario en Labview y una bomba de jeringa, controlada desde el mismo Arduino DUE encargada de asegurar el paso de la muestra a un flujo constante predeterminado sobre la superficie activa del cristal.

Figura 13 Sistema de micro viscosímetro integrado en donde se aprecia el prototipo electrónico, la celda de flujo con el cristal de cuarzo, la interfaz de usuario en LabView
Muestras
Con el fin de evaluar el desempeño del cristal se han utilizado dos tipos de muestras diferentes: diluciones de glicerol en agua milli-q y diluciones de albúmina de huevo (obtenida de huevos frescos comprados en una tienda local) en agua milli-q. La Tabla 1 muestra los datos para las diluciones de glicerol. Las diluciones de glicerol poseen un comportamiento Newtoniano por lo que se espera que la viscosidad será uniforme para las medidas obtenidas con el prototipo QCR y el viscosímetro de referencia.
La Tabla 3 muestra los datos para las diluciones de albúmina de huevo. En el caso de la albúmina, se espera que la viscosidad obtenida se vaya acercando al valor de viscosidad del agua a medida que la concentración de albúmina del agua. Igualmente, al aplicar el factor de corrección generado por el modelo Rouse, se espera que el valor obtenido con el prototipo se asemeje al valor obtenido por el equipo de referencia.
Equipo de Referencia
Para este estudio se ha utilizado el viscosímetro Fungilab Smart junto con el husillo L2 para muestras con una alta concentración y comportamiento No-Newtoniano y el husillo LCP para muestras con baja concentración y comportamiento Newtoniano
Protocolo de medida
Inicialmente se configura los parámetros necesarios en la interfaz de Labview y se realiza un primer barrido para el cristal sin muestra. De esta manera se obtienen los parámetros de interés iniciales para la caracterización de la respuesta: el valor de frecuencia (F0) y el valor de medio ancho de banda (Γ0). Estos cálculos son hechos por el software en Labview. Se realizan en total 10 ciclos y las medidas son promediadas para obtener una referencia antes de depositar la muestra. A continuación, se deposita la muestra sobre el electrodo superior del cristal (50μL) y nuevamente se realiza el barrido de frecuencia. De esta manera se obtiene un nuevo valor de frecuencia de resonancia serie (Fs) y de medio ancho de banda (Γs). Los cambios en frecuencia y medio ancho de banda son obtenidos mediante las siguientes ecuaciones: ΔF = Fs - F0 y ΔΓ = Γs - Γ0. Para obtener los valores de viscosidad de cada muestra, se utilizan las ecuaciones 1 a 12 de acuerdo con la teoría previamente expuesta. Los valores de densidad son obtenidos de manera externa mediante una balanza analítica. La masa de cada solución es medida para 1mL de volumen.
Resultados y discusión
Primero son analizados los resultados del prototipo para las diluciones de glicerol en agua (comportamiento Newtoniano) y posteriormente se analizan los resultados obtenidos para las muestras de albúmina (comportamiento no Newtoniano). En ambos casos se realiza una comparativa con el equipo de referencia (viscosímetro Fungilab Smart).
Resultados para diluciones de Glicerol
Los resultados obtenidos para las muestras de glicerol en agua se muestran en la Tabla 1. Los valores de viscosidad fueron obtenidos con (7) teniendo en cuenta que ΔΓ≈Δf para líquidos Newtonianos.
De acuerdo con la Figura 15, la sensibilidad lograda con el prototipo es cercana a 4Hz por cada 1μg/mL de cambio de concentración de la muestra. La respuesta lineal del QCR es mostrado en la Figura 15.
En la Tabla 2 se observa la comparativa entre los valores obtenidos con el prototipo y con el viscosímetro de referencia Fungilab Smart. De acuerdo con la Tabla 2, los resultados obtenidos con el prototipo muestran un límite de detección de 6.3 μg/ml. El viscosímetro de referencia obtuvo el mismo límite de detección.
Con base en los resultados expuestos en la Tabla 2, se observa que el prototipo desarrollado y el viscosíme- tro comercial Fungilab Smart tienen un comportamiento muy similar para las diluciones de glicerol en agua.
Resultados para diluciones de Albúmina
Los resultados mostrados en la Tabla 3 corresponden a los valores obtenidos con el prototipo QCR para las muestras de albúmina de huevo (comportamiento No- Newtoniano).
Considerando que las diluciones de albúmina tienen un comportamiento No-Newtoniano (pseudoplástico), se requiere aplicar una corrección matemática a las medidas experimentales que, para este estudio, está basada en el modelo Rouse expuesto en la sección de teoría. Luego de aplicar este factor de corrección se espera que los valores obtenidos con el prototipo QCR y el dispositivo de referencia sean más cercanos.
La Tabla 4 muestra los valores utilizados para aplicar el modelo Rouse de acuerdo con la teoría.
La Tabla 5 muestra los valores intermedios obtenidos al aplicar el modelo Rouse.
En particular, el valor de la tangente de pérdidas (tan(δ)) indica un comportamiento “líquido” de las diluciones para todas las diluciones de albúmina. En otras palabras, altamente viscoso y con poco componente elástico. Este resultado también se ve reflejado en el valor de corrección X el cual resulta ser muy cercano a la unidad. Esto indica que, aunque el fluido es catalogado como viscoelástico y pseudoplástico, la di- lución tiene un comportamiento cercano al Newtoniano y, en consecuencia, el factor de corrección es muy cercano a la unidad.
La Tabla 6 muestra la viscosidad obtenida para cada concentración antes y después de aplicar el modelo Rouse. Los datos utilizados para obtener los resultados de la Tabla 6 son los presentados en la Tabla 3. Las ecuaciones utilizadas han sido la (4) sin aplicar modelo Rouse y la (15) y (16) aplicando el modelo Rouse con los resultados expresados en la tabla 4.
En la Figura 16. se aprecia el efecto de aplicar el modelo Rouse a las medidas obtenidas con el prototipo QCR. El modelo Rouse permite obtener valores de viscosidad más cercanos a los valores obtenidos con el viscosímetro de referencia.
Los resultados obtenidos concuerdan con estudios anteriores en los que se observa que los huevos frescos que no son de granja (thin-egg) tienen una viscosidad entre 5 a 10 mPa•s y que su comportamiento, aunque es pseudoplástico, a bajas concentraciones es comparable a un fluido Newtoniano (Cardinaels et al., 2013). Este fenómeno se observa también en el valor del factor χ, ya que a medida que la concentración de albúmina disminuye, este factor se acerca aún más a la unidad.
Conclusiones
Teniendo en cuenta los resultados obtenidos, el prototipo desarrollado utilizando un resonador de cris- tal de cuarzo QCR permite medidas comparables de viscosidad de líquidos tanto con comportamiento Newtoniano como no-Newtoniano (Viscoelástico-Pseudoplástico). En ambos casos se utilizó una cantidad mínima de muestra (50μL) en comparación con los 16mL que requiere el viscosímetro de referencia para medir muestras Newtonianas y 60mL para mues- tras viscoelásticas-pseudoplásticas. Por esta razón se puede clasificar el prototipo como micro-viscosímetro. En relación a las muestras de albúmina, al ser procedentes de huevos que no son de granja (thin-egg) tienen “bajo” peso molecular y una viscosidad baja que oscila entre 5 a 10 mPa•s. (Cardinaels et al., 2013). Esto hace que el comportamiento se asemeje en gran medida al Newtoniano, evidenciándose en el valor de la tangente de pérdidas y del valor de corrección X.
A futuro se espera que el dispositivo tenga aplicaciones biomédicas donde se requiera medir la viscosidad del fluido biológico y se cuente con muy poca muestra, por ejemplo: caracterización de líquido sinovial para diagnóstico de enfermedades artríticas. Adicionalmente, tal como se ha utilizado una plataforma de hardware libre, se migrará la interfaz de usuario a un software libre para economizar aún más el costo del dispositivo.














































