Services on Demand
Journal
Article
Indicators
-
Cited by SciELO -
Access statistics
Related links
-
Cited by Google -
Similars in
SciELO -
Similars in Google
Share
DYNA
Print version ISSN 0012-7353On-line version ISSN 2346-2183
Dyna rev.fac.nac.minas vol.78 no.168 Medellín Oct./Dec. 2011
DEVELOPMENT OF A WELDING PROCEDURE FOR MIL A 46100 ARMOR STEEL JOINTS USING GAS METAL ARC WELDING
DESARROLLO DE UN PROCEDIMIENTO DE SOLDADURA PARA JUNTAS DE ACERO DE BLINDAJE MIL A 46100 CON PROCESO GMAW
DAVID MAZUERA ROBLEDO
Grupo de soldadura, Universidad Nacional de Colombia - Sede Medellín, jdmazuer@unal.edu.co
JOHN ALBERTO SUÁREZ GÓMEZ
Grupo de soldadura, Universidad Nacional de Colombia - Sede Medellín, johnsuar@gmail.com
JORGE ENRIQUE GIRALDO BARRADA
Profesor Asistente, Grupo de Soldadura, Universidad Nacional de Colombia - Sede Medellín, jegirald@unal.edu.co
Received for review May 14th, 2010; accepted December 2nd, 2010; final version December 27th, 2010
ABSTRACT: A welding procedure (WPS) for MIL A46100 steel armor joints using the gas metal arc welding process (GMAW) was developed and qualified according to mechanical and non-destructive (NDT) requirements of military codes. Obtained results were compared to shielded metal arc welding (SMAW) procedures used to weld this type of steel. It was found that designed WPS is a suitable option to weld MIL A46100 armors according to the results obtained. In addition, a narrower heat affected zone (HAZ) was obtained with designed WPS which should lead to a better in-service armor performance according to results of previous studies. Finally, an increase in Charpy v-notch (CVN) test impact energy compared to the SMAW procedure was found.
KEYWORDS: Gas metal arc welding (GMAW), welding procedure specification (WPS), MIL A 46100 armor steel
RESUMEN: Se desarrolló un procedimiento de soldadura (WPS) para unir láminas de acero para blindaje bajo especificación MIL A46100 usando el proceso GMAW, el cual fue calificado mediante ensayos mecánicos y no destructivos (NDT) de acuerdo con los requerimientos de códigos militares. Los resultados obtenidos fueron comparados con procedimientos de soldadura para este material realizados con el proceso SMAW. Los resultados obtenidos mostraron que el WPS diseñado es una opción viable para la soldadura de blindajes de acero MIL A 46100. Además, con el WPS diseñado se obtuvo una reducción en el ancho de la zona afectada térmicamente (ZAT) que debería conducir a un mejor desempeño en servicio de los blindajes de acuerdo con los resultados de estudios previos. Finalmente, se encontró un incremento en la energía absorbida en los ensayos de impacto Charpy V comparada con la de soldaduras realizadas con el proceso SMAW.
PALABRAS CLAVE: Acero para blindaje MIL A 46100, especificación del procedimiento de soldadura (WPS), soldadura por arco con protección gaseosa (GMAW)
1. INTRODUCTION
High strength steel plates have been used since the 90s to build armored combat vehicles and vessels due to a good ballistic behavior accompanied by weight reduction in the armored structure as a consequence of the plate's high mechanical strength. The MIL-A-46100 specification is used to produce one of those high strength steels which obtains its ballistic behavior from its chemical composition accompanied by heat treatment (oil quench from 900°C and air tempering at 200 °C) which produces a tempered martensite microstructure. Due to a high hydrogen induced cracking (HIC) susceptibility, austenitic stainless steel and ferritic filler metals are commonly used to weld MIL-A-46100 plates [1-2]. In a previous study by National University of Colombia [3], MIL-A-46100 steel was characterized. Various welding procedures using shielded metal arc welding (SMAW) were assessed by [3] in order to determine the most suitable and cost effective. It was found that a procedure using the E11018-M electrode met the requirements for ballistic welds with higher cost effectiveness. However, taking into account the HIC susceptibility, which demands a controlled usage of this kind of electrode as well as skilled personnel, another procedure using E312-16 filler was also found as a suitable option to weld MIL-A-46100 steel armors with the corresponding tradeoff in cost effectiveness.
On the other hand, ref [3] found no weldments exhibiting satisfactory ballistic behavior (e.g., projectiles impacting on weld beads and heat affected zone passed through the weldment), except in one case in which the bullet was rejected by a weldement with a narrower heat affected zone (HAZ); this ballistic response agreed with the findings of [4-5]. Based on the latter observation, it is desirable to design welding procedures (WPSs) that reduce the HAZ width. In addition, the use of the SMAW process implies that a considerable amount of time will be dedicated to tasks such as electrode change, interpass cleaning, and slag removal, which reduce the production rates. Thus it is also desirable to look for WPSs which use semiautomatic welding processes that allow a potential increase in productivity and production rates.
In the current article, a welding procedure to weld MIL A-46100 steel plates was designed and qualified according to mechanical and non-destructive testing requirements for military standards (ballistic tests were not carried out due to limitations in access to the testing setup) in order to evaluate its feasibility in comparison with the aforementioned SMAW procedures.
2. REQUIREMENTS FOR WELDMENTS OF ARMOR STEELS
Quality requirements for the welding of MIL-A-46100 steel are given by MIL STD 1185 [1] and SD-X12140 [2] standards. For the sake of comparison, the authors also selected some requirements used by [3] to complement criteria not specified in the military standards. Weldment requirements can be grouped into three categories: (i) mechanical properties, (ii) weld soundness, and (iii) in-service performance.
2.1 Mechanical Properties
Military standards cited in the former paragraph, established a minimum yield strength of 550MPa (80ksi) for the welded metal when ferritic filler is used, and a minimum tensile strength of 550 MPa (80ksi) in welds performed using austenitic filler metals. In addition, the recovery of the parent metal hardness must be achieved at a distance of 15.9mm (5/8") measured from the weld bead centerline. For the sake of comparison with results of [3], the authors established energy absorbed in Charpy V notch (CVN) impact test as an additional acceptance criterion. Satisfactory weldments should exhibit the same CVN values obtained by [3].
2.2 Weld Soundnes
To evaluate the quality of weldments, visual testing (VT) and radiographic testing (RT) were conducted. Acceptance criteria from military standards [1-2] are listed below:
- Undercut: not allowed
- Slag inclusions: not allowed
- Tungsten inclusions: not allowed
- Cracks: not allowed
- Underfill: not allowed
- Misalignment: lower than 3mm (1/8")
- Overlap: not allowed if greater than 10% of welded length.
- Porosity: maximum diameter 1.5 mm (1/16") and maximum 6 pores per 304mm (12") of welded length. For cluster porosity (lower than 1/32") maximum 8 pores per 25mm (1") of welded length
Additional acceptance criteria not listed above for RT and VT were based on qualification requirements of AWS D1.1 [6] and ASME Section IX [7] according to [3].
2.3 In-Service Performance
To evaluate in-service performance of welded armors, ballistic tests must be conducted according with the NIJ 0108.01 standard and the aforementioned military standards [1-2]. However, due to limitations in access to a ballistic testing setup, a comparison with results obtained by [3-5] was carried out based the HAZ width of samples which showed satisfactory ballistic performance.
3. MATERIALS AND EQUIPMENT
3.1 Equipment
Sample welds were conducted using a Kemppi Mark 500HF machine and applied in mechanized mode [8] using a mechanical oxy-fuel cutting device adapted to carry on the welding torch (Figure 1) in order to reduce problems associated with a human welder.
Figure 1. Device used for mechanized welding
A commercial voltmeter (0-50 V ± 0.01V) and a DC clamp meter (600 A ± 0.1A) were used to record welding current and voltage, respectively.
Mechanical and non-destructive test (excepting VT) were conducted by the metallurgy laboratory staff at National University of Colombia.
3.2 Base Metal
MIL A-46100 specification covers different types of armor steels meeting mechanical properties and chemical compositions that vary according to plate thickness. The armors used in this work correspond to plates 4.5 mm thick. Mechanical properties and chemical compositions obtained experimentally are summarized in Tables 1 and 2, respectively [3].
Table 1. Mechanical properties of MIL-A-46100 steel plates [3].

Table 2. Chemical composition of MIL-A-46100 steel plates (Measured by [3] using GDS).

As mentioned in the introduction, MIL A-46100 steel plates posses a tempered martensite microstructure developed through a quenching and tempering heat treatment. A scanning electron micrograph of MIL-A-46100 steel is depicted in Figure 2.
Figure 2. Martensitic microstructure of MIL-A46100 steel, SEM micrograph 3700X nital 5% [3]
3.3 Filler Metal
GMAW filler metals to weld armor steel include AWS A5.5 ER308Mo and ER312; AWS A5.29 ER100S-1, ER100S-2, ER100S-2, and ER120S-1 [1-2]. Based on the results obtained in a previous study by [3] using E11018M, a ferritic filler exhibiting similar chemical and mechanical properties was selected. The final selection relied on ER100S-1 (ESAB spoolarc 95) wire based on commercial availability and the fact that ESAB trademarked filler is the only one that meets the requirements of the MIL-E-23765/2 standard [9].
3.4 Shielding Gas
In order to design and qualify a WPS to weld MIL-A-46100 steel plates in all positions, it is necessary to use short circuit metal transfer (GMAW-S); thus a mixture of 75% Ar -25% CO2 was selected. Its potential impact on cost effectiveness was also taken into account.
3.5 Backing
Copper backing was selected to make a single pass welding procedure, which leads to a reduction of the HAZ width as consequence of both the lower heat input (due to the use of only one pass), and the copper backing itself (acting as chiller). The cross section of backing plates used is shown in Figure 3.
Figure 3. Cross section of copper backing plates
4. EXPERIMENTAL PROCEDURE
Test plates of 152mm (6") x 304mm (12") have been used for procedure qualification according to military standards [1-2]. These plates were thermally cut using compressed air plasma to reduce microstructural changes of base materials as a consequence of the thermal cutting process. Weldments were carried out in mechanized mode using the device shown in Figure 1 and the welding procedure parameters summarized in Table 3.
Table 3. Welding procedure parameters.

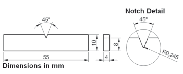
Reduced section and CVN specimens were cut according to the requirements and dimensions specified by [3]; taking into account that due to plate thickness, standard CVN specimens could not be prepared. Five CVN specimens were prepared using the sample dimensions shown in Figure 4.
Figure 4. Dimensions of CVN specimens
All specimens were prepared using a CNC EDM wire cut machine. CVN specimens were polished to obtain a surface roughness of 64mm.
In order to determine the hardness recovery distance, Vickers microhardness (500gf, 30s) measurements where conducted at 1mm deep from the top face of welded plates. The indentations were recorded at 200mm pitch starting at the fusion boundary as shown schematically in Figure 5.
Figure 5. Schematic showing microhardness tests locations
5. RESULTS AND DISCUSSION
5.1 Visual Testing
Visual inspection of weldments produced with the designed procedure was satisfactory; results are presented in Table 4.
Table 4. Visual testing results.

5.2 Radiographic Testing
Radiographic testing revealed two pores of less than 2 mm in diameter which is in the range for acceptance criteria [1-2]. An example of radiographic film is shown in Figure 6, exhibiting weld soundness.
Figure 6. Radiographic example showing weld soundness
5.3 Tensile Tests
Comparison between WPS using SMAW and GMAW processes is shown in Table 5. In this table, theoretical values of tensile strength for all filler metal used have been included [10-12].
Table 5. Tensile tests results.

From the data in Table 5 it was found that in all cases the requirements for qualification are fulfilled. An increase in tensile strength (UTS) of welded metal with respect to the filler metal was also found—this could be a consequence of an increase in carbon content of welded metal due to dilution. It must be emphasized that in all cases failure occurred through welded beads.
5.4 Charpy V Notch Impact Tests
Table 6 shows the CVN results of tests conducted at -20 °C presented in units of Joules per millimeter of sample thickness, taking into account that non-standard specimens were used. In addition, CVN results at -40 °C obtained by [3] for SMAW procedures are also presented on Table 6. In order to compare results for ER100S-1 and E11018M (which was selected as the better choice by [3]), experimental results are plotted on Figure 7 along with the CVN data provided by filler metal manufacturers for all welded metal. It can be seen from Figure 7 that impact energy is always greater for ER100S-1welded metal in the range between -50 °C and -20 °C, which corresponds with experimental results for MIL A46100 weldments.
Figure 7. Comparison between E11018M and ER100-S1 CVN results including all weld metal data provided by the filler metal manufacturers
5.5. Microhardness Tests
Microhardness profiles for weldments produced using ER100S-1, E11018M, and E3121-16 are shown in Figure 8. It can be seen that the hardness recovery for GMAW weldments occurred three millimeters closer to the fusion boundary when compared to those produced using SMAW. The narrower HAZ suggests a better in-service performance of ER100S-1 weldments according to the ballistic results obtained by [3-5].
Figure 8. Microhardness profiles
5.6 Microstructural Analysis
Figure 9 shows a macrograph of the welded joint in which the HAZ can be observed easily. Hardness variation shown in Figure 8 is the consequence of mixed microstructures along the HAZ due to the temperatures reached at each point which induced localized heat treatments (different from point to point).
Figure 9. Optical macrograph showing weld cross section, nital etch
The highest hardness found near the fusion boundary corresponds to two microstructures: (i) coarse martensite grains formed due to the high temperature reached exceeding AC3 which caused grain growth, and (ii) a martensitic microstructure developed in a region reaching a temperature just above AC3 in which grain growth was avoided. A stepped hardness drop is observed at around 2 mm from the fusion boundary. In this region, peak temperatures were between AC1 and AC3 and thus former tempered martensite on base metal was dissolved and transformed into a mixture of ferrite and martensite during cooling. From that point, hardness is progressively recovered in a region having different microstructures depending on the temperature achieved, causing an over-tempering of base material. Using copper backing in the GMAW weldments, a narrower low hardness zone (approximately 4-5 mm than that found in SMAW weldments) was obtained, which is beneficial for ballistic performance of the HAZ, and thus reduces the vulnerability of the weldments.
Finally, a welded metal microstructure is shown in Figure 10. The morphology of this region is referred to as acicular ferrite [13-15] and is developed due to the manganese content exceeding 1.2 wt% in the welded metal as well as small amounts of aluminum and titanium. This microstructure is responsible for the higher toughness observed in CVN tests of ER100S-1 weldments [16-17].
Figure 10. Welded metal microstructure showing acicular ferrite, optical micrograph nital etch
6. CONCLUDING REMARKS
The designed welding procedure using GMAW with ER100S-1 filler metal and copper backing was found to be a suitable option for welding MIL A 46100 armor steel plates, based on results obtained in mechanical and non-destructive tests. It met the qualification requirements of military codes. However, two aspects must be commented on: First, the use of single pass welds using copper backing reduced the width of the HAZ which should improve in-service behavior of the welded joint according to results published in previous studies; and second, the higher values of absorbed energy found in Charpy V notch tests (which are due to the development of an acicular ferrite microstructure of the welded metal) would lead one to expect, from a qualitative point of view, satisfactory ballistic behavior of the welded metal; nevertheless, ballistic and cracking susceptibility tests must be conducted to determine whether this hypothesis is true or not.
Additional advantages such as a lower number of discontinuities and a potential increase in production rates can also be expected when a semi automatic process such as GMAW is used as evidenced in this work; however, a complete discussion about this topic is presented elsewhere.
REFERENCES
[1] Department of defense, MIL STD 1185. Military Standard. Welding, high hardness armor, DoD, 1979. [ Links ]
[2] Department of defense. SD-X12140D. Welding, homogeneous armor, metal-arc general requirements for, DoD, 1987. [ Links ]
[3] Universidad Nacional de Colombia Sede Medellín. Estudio de la soldabilidad de aceros microaleados utilizados en la construcción y reparación de embarcaciones, Grupo de Soldadura, 2005. [ Links ]
[4] Reddy, G. M., Mohandas, T. Ballistic performance of high-strength low-alloy steels weldments. Journal of materials processing technology, 57, 23-30, 1994. [ Links ]
[5] Reddy, G. M., Mohandas, T., Papukutty, K. K. Effect of welding process on the ballistic performance of high-strength low-alloy steel weldments. Journal of materials processing technology, 74, 27-35, 1998 [ Links ]
[6] American Welding Society, D1.1 Structural welding code- Steel, 119-179, AWS, 2002. [ Links ]
[7] American Society for Mechanical Engineers, ASME boiler and pressure vessel code. Section IX welding and brazing qualifications, 12-47, ASME, 1998. [ Links ]
[8] Cary, H, Arc welding automation, Marcel Dekker, 9-23, 1995. [ Links ]
[9] Department of defense, MIL-E- 23765/2. Military Standard. Electrodes and rods-welding, solid, low alloy steel, DoD, 1979. [ Links ]
[10] American Welding Society, A5.9 Specifications for corrosion-resisting chromium and chromium-nickel steel bare and composite metal cored and standard arc welding electrodes and welding rods, AWS, 1977. [ Links ]
[11] American Welding Society, A5.28 Specification for low alloy steel filler metals, AWS, 1979. [ Links ]
[12] American Welding Society, A5.5 Specification for Low Alloy Steel Covered Arc Welding Electrodes, AWS, 1996. [ Links ]
[13] Linnert, G, Welding metallurgy carbon and alloy steel, 787-802, AWS, 1994. [ Links ]
[14] Grong, f, Metallurgical modeling of welding, 406-444, University of Trondheim, 1994. [ Links ]
[15] Kou, S, Welding Metallurgy, Second Ed, Wiley, 216-243, 2003. [ Links ]
[16] Losz, J, Challenger, K, Haz microstructures in HSLA steel weldments, First United States - Japan symposium on advances in welding metallurgy, 207-225, 1990. [ Links ]
[17] Fukada, Y, Comiso, Y, Toughness improvement in weld metal of carbon and HSLA steel in Japan, First United States - Japan symposium on advances in welding metallurgy, 177-205, 1990. [ Links ]














