La hiperinformación y la hipercomunicación dan testimonio de la falta de verdad, e incluso de la falta de ser. Más información, más comunicación no elimina la fundamental imprecisión de todo. Más bien la agrava.
Introducción
La transparencia y la rendición de cuentas son dos categorías centrales para la contabilidad y la gestión organizacional (Gray et al., 1996; Hood, 2010; Munro & Mouritsen, 1996; Vosselman, 2016). La rendición de cuentas ha sido una de las funciones asignadas a la contabilidad por años (Ijiri, 1983; Mattessich, 1995). Muchos sistemas contables operan construyendo sentido y significaciones entre agentes, relativos a las explicaciones y justificaciones sobre sus actuaciones (Roberts & Scapens, 1985). Por su parte, la transparencia se ha convertido en una exigencia contemporánea para las empresas, los gobiernos y las entidades sin fines lucrativos. La transparencia se presenta como una apertura hacia el exterior, permitiendo hacer visibles los criterios, mecanismos y resultados de las decisiones dentro de las organizaciones. Existen relaciones complementarias, antagónicas y diferenciadas entre la transparencia y la rendición de cuentas (Hood, 2010; Roberts, 2009).
La transparencia y la rendición de cuentas se han convertido en categorías institucionalizadas que el poder usa para legitimarse y la sociedad civil para reclamar límites al poder (Neu et al., 2019). No obstante, el poder corporativo parece no responder por sus decisiones y acciones con repercusiones negativas sobre la naturaleza y la humanidad (Bauman, 2011; McKernan, 2012).
En la sociedad interconectada, se plantea que la transparencia se verá potenciada por la digitalización y las innovaciones tecnológicas (Arnaboldi et al., 2017; Han, 2013; Marrone & Hazelton, 2019). La expansión del Internet y las innovaciones organizacionales que la red permite generan posibilidades importantes para la contabilidad y la transparencia (Marrone & Hazelton, 2019). Algunos plantean que más información es más transparencia, e Internet permite la disposición exponencial de información, potencialmente disponible para cualquier interesado con costos marginales muy bajos.
Las organizaciones públicas y privadas han adoptado canales electrónicos de divulgación de información financiera y no financiera, como sus páginas web y las redes sociales (Marrone & Hazelton, 2019; Suárez-Rico et al., 2019). No obstante, el impacto de las redes sobre la (in)comunicación, sus efectos en la saturación informativa (Carr, 2011) y el uso del big data para impactar en el campo de relevancia-realidad de los sujetos revelan nuevas complejidades, limitaciones y desafíos para la rendición de cuentas y transparencia por medios electrónicos (Arnaboldi et al., 2017; Roberts, 2009). Apoyados en Han (2013, 2014a, 2014b, 2017a, 2017b), planteamos que el uso de las redes reduce la rendición de cuentas a un proceso tecnológico, antes que moral, permitiendo la desresponsabilización y la naturalización de la desconfianza, impactando negativamente en la transparencia y la rendición de cuentas. La rendición de cuentas como proceso moral implica la obligación de "dar cuenta", y la responsabilidad de informar, justificar y explicar a los otros (Roberts, 2009), por medio del "diálogo" con las partes interesadas (Unerman & Bennet, 2004; Dillard & Vinnari, 2019). La predominancia del uso de herramientas tecnológicas puede hacer pensar a los actores que tales responsabilidades se cubren simplemente con disponer información en las redes sociales, o por medio de las interacciones que ellas permiten, pero que terminan limitando el verdadero diálogo.
Este trabajo estudia el caso de la empresa brasilera Vale, una de las más grandes corporaciones mineras del mundo, que se encuentra reportada como la cuarta empresa con más conflictos medioambientales en el Environmental Justice Atlas1 Dentro de los conflictos surgidos por la actividad de Vale, destacan dos catástrofes (2015 y 2019) ocasionadas por la ruptura de sus presas con desechos mineros contaminantes, que arrasaron pueblos enteros, ocasionando desbalance ecosistémico, destrucción y muerte. Como la empresa produce informes de sostenibilidad y es activa en redes sociales divulgando su desempeño, particularmente en Facebook, resulta importante evaluar los procesos de rendición de cuentas y transparencia de Vale por esta red social.
Así, el objetivo de este trabajo es plantear argumentos y aportar evidencias empíricas sobre la necesidad de una reinterpretación crítica de la transparencia y la rendición de cuentas sociales y ambientales por medio de redes sociales, tomando el caso de la minera Vale. Por ello, planteamos las siguientes preguntas: ¿Cuáles son los argumentos centrales para una reinterpretación de la rendición de cuentas socioambientales y de la transparencia por medio las redes sociales, desde la perspectiva de la "sociedad de la transparencia" y la rendición de cuentas dialógica? ¿Cómo fue la rendición de cuentas y la transparencia en redes sociales en las catástrofes de Vale?
Nuestro trabajo aporta a la literatura evidencia del uso de las redes sociales para generar transparencia y rendición de cuentas por parte de una empresa minera latinoamericana que ha tenido graves afectaciones en la naturaleza y la sociedad. Mostramos que dichos procesos no permiten visibilizar la condición conflictiva de la actividad minera, ni generan una comunicación dialógica para incorporar las miradas y las expectativas de los afectados. Con estas evidencias, también hacemos una contribución al plantear que la forma en que operan las redes sociales permite la gestión de los sentimientos de los grupos de interés dando respuestas coyunturales a problemas estructurales. Asimismo, demostramos que la rendición de cuentas se reduce a la generación de información y contenidos, antes que al proceso moral de responsabilización, argumentos centrales para replantear críticamente los conceptos de transparencia y rendición de cuentas en redes sociales.
Después de esta introducción, el trabajo se estructura del modo siguiente: en la segunda sección, se sintetizan las visiones que prevalecen sobre la rendición de cuentas y la transparencia, y los argumentos que plantean su ampliación gracias al Internet y las redes sociales; en la tercera parte se presentan los argumentos sobre la necesidad de una reinterpretación crítica de la rendición de cuentas y la transparencia en redes sociales, retomando las categorías conceptuales de Byung-Chul Han; el cuarto apartado presenta el estudio de caso de la compañía Vale, analizando los procesos de transparencia y rendición de cuentas en el contexto de los conflictos socioambientales agudizados por las catástrofes de los años 2015 y 2019, para lo cual se realiza un análisis de las reacciones en redes sociales y un análisis crítico del discurso de las publicaciones en Facebook; finalmente, la quinta parte presenta las conclusiones de nuestro trabajo.
La rendición de cuentas y la transparencia en contabilidad
La rendición de cuentas ha sido uno de los objetivos centrales asociados con la contabilidad. En materia de contabilidad financiera, es clásico el esquema de vínculos entre accountor, accountee y accountant, dirigido a la descarga de responsabilidades por la gestión de recursos ajenos (Ijiri, 1967). Mattessich (1995) planteó que la rendición de cuentas es la función estructural de la contabilidad, con la responsabilidad como su principio y fin.
La rendición de cuentas y la transparencia desde perspectivas interdisciplinarias
La discusión actual sobre la rendición de cuentas es interdisciplinaria y, desde el campo de la ciencia política, se ha asociado con estructuras institucionales democráticas, donde los ciudadanos reclaman, analizan y valoran las descargas de responsabilidad o las cuentas rendidas por el poder (Schedler, 1999, 2011; Sosa, 2011).
En el ámbito de la contabilidad, diversos autores asumen que esta opera como un conjunto de procesos e infraestructuras de cálculo, métricas que permiten objetivar las decisiones, las acciones y el desempeño de individuos y organizaciones (Kamuf, 2007). No obstante, tal proceso de objetivación obscurece la posibilidad de interacción y de diálogo, puesto que cada actor busca su propia justificación-objetivación de los hechos por medio de la contabilidad (Kamuf, 2007).
La rendición de cuentas implica una obligación de informar (explicar), justificar y ser castigado, cuando corresponda, por sus decisiones y resultados. La transparencia supone valores y procesos que permiten visibilizar ante agentes externos las estructuras, los criterios y las formas en que se toman las decisiones dentro de las organizaciones, así como sus efectos internos y externos. A veces, la transparencia y la rendición de cuentas son convergentes; otras veces, pueden resultar antagónicas (Hood, 2010). Por todo lo anterior, los sistemas de rendición de cuentas y la transparencia operan en la estructuración de un orden cognitivo, moral e institucional en las organizaciones (Roberts, 2009; Roberts & Scapens, 1985) y en el campo social (Hood, 2010; Munro & Mouritsen, 1996; Vosselman, 2016).
El surgimiento y evolución de la información social y medioambiental, con antecedentes como el Triple Bottom Line en los años 90 del siglo pasado (Elkington, 1993, 1997, 1998), generó expectativas sobre las posibilidades para aumentar la transparencia, así como el surgimiento de nuevos informes para la rendición de cuentas, buscando superar algunas de las limitaciones de la información financiera (Adams & Larrinaga-González, 2007; Gray et al., 1996; Larrinaga et al., 2019). No obstante, una parte importante de la investigación académica viene mostrando que las empresas utilizan la información social y medioambiental como un medio de legitimación y que existe un desacoplamiento significativo entre lo que se divulga y las acciones e impactos reales de las compañías (Milne et al., 2009; Spence, 2007, 2009; Spence et al., 2010). Esto ha generado escepticismo y reclamos por un cambio de enfoque, tanto de la información social y ambiental, como de la investigación en el campo.
En consecuencia, la perspectiva dialógica en la rendición de cuentas sociales y ambientales ha sido planteada por diferentes autores como una posibilidad de cambio (Brown, 2009; Dillard & Vinnari, 2019). Desde un enfoque habermasiano, Unerman y Bennet (2004) plantean que la comunicación válida, a partir del reconocimiento del otro, moviliza el diálogo; para ello el otro debe ser considerado como un interlocutor válido. La acción comunicativa implica superar lo ritual, lo sagrado, la tradición y las jerarquías. El diálogo para conseguir el acuerdo racional es la base de la acción comunicativa (Habermas, 1999), asunto que reclama la universalización como requisito previo para determinar la moralidad de las acciones (Unerman & Bennett, 2004). Una rendición de cuentas dialógica se caracterizaría por promover la acción comunicativa, un comportamiento moral y, consecuentemente, la construcción democrática.
Dillard y Vinnari (2019) señalan que, en tanto la rendición de cuentas sociales y ambientales se ha basado en los sistemas contables existentes, el incremento en los reportes sociales y medioambientales no ha conseguido una mejora en la rendición de cuentas. Estos autores denominan al incremento en los informes de sostenibilidad como esclerosis de la divulgación. Por ello, plantean la necesidad de transitar de una rendición de cuentas basada en la contabilidad, hacia una contabilidad basada en la rendición de cuentas, construida a partir de los requerimientos de todos los constituyentes (los stakeholders), para conseguir una rendición de cuentas dialógica y crítica.
Adoptando la perspectiva de la teoría del actor red, Vinnari y Dillard (2016) plantean elementos para identificar a las partes interesadas, tanto humanos como no humanos, que deberían ser consideradas para una rendición de cuentas verdaderamente democrática. Evaluar la legitimidad de los reclamos de cada grupo social, desde un punto de vista dialógico, es una condición determinante para identificar su alineación con la construcción de democracia y de un verdadero pluralismo.
Podría plantearse, como síntesis de esta perspectiva, que una contabilidad dialógica implica transformaciones en los sistemas contables para promover comunicación y deliberación, lo que generaría reconocimiento e integración de diversos partícipes. Este es uno de los problemas medulares de las visiones dominantes de la rendición de cuentas, puesto que no reconocen y, por tanto, no incluyen verdaderamente a los otros, a los stakeholders.
La rendición de cuentas sociales y medioambientales y la transparencia en las redes sociales
Las organizaciones públicas y privadas han adoptado canales electrónicos de divulgación de su información financiera y no financiera; entre ellos, se encuentran sus páginas web y las redes sociales (Arnaboldi et al., 2017; Marrone & Hazelton, 2019). Las redes sociales potencialmente pueden cambiar las formas de la rendición de cuentas y transparencia, especialmente en materia de información social y medioambiental (Suárez-Rico et al., 2019).
La posibilidad de interacción y reacción de los stakeholders en las redes podría generar un tipo de comunicación dialógica que ampliaría la rendición de cuentas, debido a que a través de estas se facilita el intercambio de expectativas y necesidades de una manera más abierta, lo que aumenta el potencial de aprendizaje tanto de las organizaciones como de sus grupos de interés y, en consecuencia, fortalece el stakeholder engagement (Baue & Murninghan, 2011; Manetti & Bellucci, 2016; Unerman, 2007; Unerman & Bennett, 2004). En esta línea, Bebbington et al. (2007), Manetti y Bellucci (2016) y Bellucci y Manetti (2017) señalan que el potencial dialógico de las redes sociales podría traducirse de cierta manera en un impulsor de la transformación social. Incluso, desde posiciones críticas, se plantea que el uso de Internet y la disposición de información online permitiría el desarrollo de contracuentas para desafiar posiciones hegemónicas y buscar la emancipación (Gallhofer et al., 2006).
En este sentido, por ejemplo, los trabajos de Al-Htaybat y von Alberti-Alhtaybat (2017) y de Bellucci y Manetti (2017) han resaltado que la rendición de cuentas a través de las redes sociales tiene la capacidad de modificar los procesos de toma de decisiones entre las organizaciones y sus grupos de interés, cuando esta se basa en una perspectiva plurivocal de la contabilidad. Estudiando las reacciones en Twitter por la publicación de los denominados "Papeles de Panamá", Neu et al. (2019) plantean que las redes sociales amplían los procesos de rendición de cuentas, al diseminar información financiera privada que evidencia comportamientos "inapropiados" e ilegales por parte de políticos y empresarios. Esto permite conversaciones que podrían promover cambios sociales. Para Neu et al. (2019), las redes sociales han cambiado el papel de las cifras contables.
She y Michelon (2019) argumentan que Facebook está siendo utilizada por las compañías para ampliar su rendición de cuentas sobre responsabilidad social corporativa (RSC), más allá de los informes formalmente estructurados, y que las redes sociales permiten a los stakeholders expresar sus opiniones y emociones, revelando sus percepciones de las divulgaciones de RSC. En sus hallazgos, estos autores muestran que la hipocresía organizada por parte de las empresas impulsa la divulgación de información sobre RSC por medio de Facebook, lo que les permite mantener su legitimidad gestionando las percepciones de los grupos de interés.
Aunque estos trabajos señalan diversas limitaciones de las redes sociales en la ampliación de la rendición de cuentas y la transparencia, existe cierto entusiasmo sobre su potencialidad para el diálogo y la democratización. Esto no es infundado, puesto que por medio de las redes sociales han surgido mecanismos emergentes de coordinación de la movilización social (Gallhofer et al., 2006) o se han diseminado datos e información que han puesto en evidencia la inmoralidad y las acciones ilegales de varios grupos de poder (Neu et al., 2019). No obstante, un asunto que requiere mayor reflexión es la transformación societal y de la subjetividad que están consiguiendo las redes sociales y sus implicaciones por el uso masivo de datos (Arnaboli et al., 2017). Las redes están condicionando y transformando las expectativas, las conductas, los sentimientos y los sentidos de los ciudadanos (Kennedy & Hill, 2018; She & Michelon, 2019). La reflexión sobre esta transformación abre el debate sobre la necesidad de reinterpretar los conceptos de rendición de cuentas y transparencia, en el contexto del uso de las redes sociales en la divulgación de información contable socioambiental.
La necesidad de reinterpretar la rendición de cuentas y la transparencia en las redes sociales
La expansión de Internet, así como la penetración de las redes sociales en las vidas personales y en los procesos y dinámicas organizacionales, no solo tiene efectos operativos y tecnológicos, sino que genera profundos impactos en las dimensiones subjetiva, moral y societal. Esta perspectiva exige repensar la transparencia y la rendición de cuentas.
Acogemos los argumentos habermasianos que han sido incorporados en la literatura contable sobre la posibilidad de una rendición de cuentas dialógica (Unerman & Bennet, 2004; Dillard & Vinnari, 2019), pero ponemos en duda que se pueda concretar por la dinámica de la psicopolítica que opera en la sociedad de la transparencia según los planteamientos de Han (2013, 2014a, 2014b).
Byung-Chul Han y su relación con la transparencia y la rendición de cuentas
El concepto de psicopolítica en Han (2014b) extiende la categoría de biopolítica de Michel Foucault, proponiendo el concepto de psicopoder (Han, 2017a). La biopolítica se refiere a las formas en que el poder opera sobre un conjunto de vivientes en cuanto población (Foucault, 2004), donde conduce las conductas de los otros por medio de programas, estrategias y tecnologías, guiados por una racionalidad política, primero, de forma disciplinaria; luego, como instrumentos de control y, en su última etapa, como tecnologías donde el poder no se ejerce necesariamente desde fuera del individuo. Así, surgen las tecnologías del yo (Foucault, 1990) como el conjunto de prácticas que el sujeto despliega sobre sí, fijando e impulsando conductas para transformarse a sí mismo, con lo cual se reproducen las relaciones de poder desde su interior (por ejemplo, el acto de contrición, la autoevaluación, etc.). Así, las tecnologías del yo podrían no solo ser fuente de reproducción del poder externo, sino también un camino para empoderar al individuo, porque a través de ellas el sujeto podría desarrollar un cuidado de sí (Foucault, 1990).
Según Han (2014b), Foucault ignora que el régimen neoliberal de dominación incluye las tecnologías del yo y la optimización propia, que se configura en una eficiente forma de dominación y explotación; en la actualidad, los mecanismos que los individuos usan sobre sí mismos, para darse forma, subjetivarse, convertirse en sujetos, obran sobre sus maneras de pensar y, por ello, es necesaria la categoría de psicopolítica.
El poder en la psicopolítica no opera limitando u obstaculizando, sino promoviendo la libertad para obrar. Es una libertad para hacer, para ser proactivo y propositivo, para interactuar. Pero este relacionamiento está determinado por estructuras de interacción que obligan al sujeto a hacer más, a buscar más, a interactuar y ser referente para los otros. Esto produce y reproduce una dinámica del sujeto que "compite" contra sí mismo (Han, 2013). Esta forma de acción vacía al sujeto de su interioridad, de su especificidad, de su negatividad2 y, por ello, lo pone en función de lo externo, de lo estandarizado y de lo "plano", que es lo que permite la información y la "interacción" sin límites.
La interconexión e interacción posibilitadas por Internet y las redes sociales, la "productividad" activa de contenidos y la "libertad" para estos intercambios, son para Han (2013, 2014b) estructuras dinámicas que transforman las relaciones de poder, en un tránsito del panóptico benthamiano a un panóptico digital con un intenso uso de la libertad, donde el Big Brother orweliano se hace realidad gracias a la autoexposición y visibilización que dejan rastros digitales y al big data, incluso con elementos nunca imaginados en virtud de la hipercomunicación (Han, 2017a).
Las redes sociales, la rendición de cuentas y la transparencia
Las redes sociales transforman la subjetividad y modifican las relaciones sociopolíticas. Para Han (2013, 2014b), las redes sociales son, mayoritariamente, mecanismos de reproducción de la racionalidad neoliberal: individualismotribalismo, simulación, aceleración, crecimiento indefinido, rendimiento infinito, desmaterialización, entre otros. Dado que el neoliberalismo reduce al ciudadano en un consumidor, las redes también confunden rendición de cuentas con consumo de datos o informes.
En consecuencia, Han (2014b) plantea que las redes, como Facebook, explotan los sentimientos de los sujetos (amor, odio, miedo, etc.) y, sobre todo, reproducen estructuras de significación basadas en la positividad, limitando la negatividad necesaria para la identidad humana. Los algoritmos con los cuales operan estas redes entregan a las personas solamente los datos y la información que es convergente con sus "reacciones" previas de aprobación o desaprobación (Carr, 2011). Es decir, se le da al usuario de la red lo que "quiere", lo que busca; en últimas, se le trata como consumidor. Por ello, "el neoliberalismo es el capitalismo del me gusta" (Han, 2014b, p. 30).
La hiperconexión y el uso de la virtualidad para disponer y divulgar más información no viabilizaría necesariamente la transparencia en el sentido de apertura y claridad. Para Han (2013), más información e hipercomunicación no implican declarar la verdad. En el contexto de la supuesta visibilización de todo, gracias a Internet, los comportamientos inapropiados, inmorales o corruptos no cesan. Por ello, las demandas por transparencia emergen como la naturalización de la desconfianza de todos. El comportamiento moral (la acción personal que ha juzgado lo correcto, la buena acción) ha sido desplazado por el procedimiento técnico de la rendición de cuentas, que muchas veces termina en simulación-legitimación.
La sociedad de la transparencia es, sobre todo, la sociedad de la desconfianza, que aspira a naturalizar la vigilancia. Cuando todos estamos bajo exposición y vigilancia, la moralidad no es un requisito para la interacción. Esto pondría en cuestión los principios de la acción comunicativa dialógica. Han (2013) señala que la confianza es una posición intermedia entre saber y no saber, en la que hay una relación positiva. Se confía cuando no se tiene que saber todo. Cuando se exige decirlo todo, entonces no se confía; se cambia confianza por el procedimiento técnico de "decirlo" todo.
La rendición de cuentas y la transparencia son categorías y procesos que persiguen la construcción de confianza para la democracia. No obstante, la interpretación que hace Han (2013, 2014a, 2014b) pone en cuestión la posibilidad de conseguir tales objetivos, por medio de la interconexión digital y de las redes sociales. Dado que diversos promotores de prácticas organizacionales e investigadores contables argumentan que las redes sociales tienen un potencial para ampliar la rendición de cuentas y la transparencia, entonces debemos considerar seriamente los argumentos de Han para debatir si es necesaria o no una reinterpretación de dichas categorías.
En la reinterpretación de estas categorías, debe considerarse que con las redes sociales se logra mayor interacción, pero interacción no es comunicación, así como tener contactos no significa contar con amigos. Por ello, las redes no consiguen comunicación dialógica con los stakeholders, porque no se reconoce la "negatividad" o lo diferente en los otros. Se busca aceptación antes que responsabilización, de manera que puede afirmarse que en la era digital hay tantos datos que se pierde la información pertinente para conseguir transparencia y hay muy poca rendición de cuentas, pese a que existan más informes.
La rendición de cuentas y la transparencia en redes sociales: el caso de la minera Vale en Brasil
Nuestro estudio de caso es exploratorio (Yin, 2003) y permite visibilizar algunas de las tensiones en la divulgación de información social y medioambiental por redes sociales, especialmente frente a la rendición de cuentas y la transparencia. El caso de Vale es relevante, porque en su operación se presentaron dos catástrofes (2015 y 2019) ocasionadas por la ruptura de presas con desechos mineros, generando desbalance ecosistémico, destrucción natural y muertes. Estos episodios evidencian los conflictos socioambientales de la actividad minera y permiten comprender cómo Vale asume su actividad, cómo rinde cuentas por sus acciones y cómo dialoga con los afectados. Vale es una empresa activa en redes sociales difundiendo sus estrategias, acciones e informes corporativos.
Conflictos socioambientales y minería
Comprender la complejidad de los desequilibrios ecosisté-micos que hoy enfrentamos implica admitir que la forma de organización social, al menos desde la modernidad, genera conflictos estructurales entre comunidades, así como entre la especie humana y los ecosistemas (Naredo, 2010). La civilización ha avanzado a partir de la transformación de los ciclos energéticos; el uso de recursos fósiles profundiza los conflictos socioambientales (Naredo & Parra, 1993).
Un conflicto socioambiental puede entenderse como "la situación que se produce cuando se tensiona la estabilidad histórica conseguida entre una comunidad y su hábitat" (Folchi, 2001, p. 91). Dado que los hábitats son la fuente básica de sustento de las comunidades humanas, la ruptura de los ciclos energéticos se manifiesta a través de desequilibrios ecosistémicos.
En general, la actividad minera tensiona los ecosistemas naturales (Naredo & Parra, 1993), así como también las interacciones de los grupos humanos. El mito moderno del sistema económico, según el cual todas las actividades económicas transadas en el mercado son siempre productivas, obscurece la comprensión del carácter extractivo y de degradación de la minería (Naredo, 2010). Este mito no permite reconocer que la minería entraña características intrínsecas que la alejan de la sustentabilidad, en un sentido energético y sistémico. Asimismo, el dogma que confunde desarrollo con crecimiento impulsa una economía minero-energética y extractivista (Gudynas, 2012), que va en contravía de la ciencia de los recursos naturales (Naredo & Parra, 1993), degradando el entorno y destruyendo la naturaleza (Leff, 2002).
En el contexto de la globalización neoliberal actual, la gran minería está esparcida por todo el mundo, con relaciones sociales asimétricas y de explotación que se focalizan en los países latinoamericanos, en África y en regiones de Asia (Naredo & Parra, 1993), profundizando la crisis so-cioambiental y la dependencia (Ángel Maya, 1995; Escobar, 2014; Gudynas, 2012; Leff, 2008). Los países pobres son la fuente de los recursos para el consumo global y para que los países ricos se dediquen a los "servicios" y a la "innovación". Así, los riesgos y efectos sociales y ambientales de la megaminería se geolocalizan en el Sur (Escobar, 2014; Gudynas, 2012).
La empresa y su discurso sobre rendición de cuentas, transparencia y uso de redes sociales
Vale fue fundada en 1942 como una empresa estatal y en 1997, a partir de su privatización, se enfocó en la minería como su negocio principal (Vale, 2019e). Actualmente, es una empresa cotizada en diversas bolsas de valores, que cuenta con operaciones en aproximadamente 30 países y es líder en la "producción" mundial de mineral de hierro y níquel (Vale, 2019g). Según su informe de sostenibilidad, su producción de hierro en 2019 fue de 312 millones de toneladas, siendo la segunda mayor productora de hierro en el mundo después de Rio Tinto (angloaustraliana); además, tiene más de 149.000 empleados, incluyendo propios y tercerizados (Vale, 2020b). Sus utilidades netas en 2018 fueron las más altas en los últimos cinco años (6.896 millones de dólares); en 2019 registró una pérdida de 1.683 millones de dólares, debido principalmente a los gastos y provisiones por la ruptura de la represa de Brumadinho (Vale, 2020b).
Vale cuenta con la página web www.vale.com; dentro de esta, el portal ESC (siglas de Environment, Society and Governance) plantea ser un espacio de "información para un diálogo transparente". Esta página incluye la subsección "controversias", donde informa sobre trece disputas en sus lugares de operación y establece su posición sobre estas, referidas como problemas de opinión3 (Vale, 2019f). En contraste, el atlas de justicia medioambiental registra que Vale tiene 1.630 concesiones mineras en Brasil, 162 represas de jales4 mineros con un alto potencial de daño, y que enfrenta 30 conflictos socioambientales en el mundo, entre ellos 18 solamente en Brasil (EJatlas, 2020).
Asimismo, Vale emite un reporte anual de sostenibilidad con metodología CRI. Sus reportes de 2018 y 2019 señalaban la necesidad de rendir cuentas a sus stakeholders sobre el "evento" ocurrido en Brumadinho como una prioridad (Vale, 2019g, 2020b). Así, el reporte de sostenibilidad de ambos años, en su primera parte, aborda la catástrofe de Brumadinho (en promedio 25 páginas), mientras que la segunda contiene la divulgación más genérica de sus acciones en materia de sostenibilidad (74 páginas en promedio).
Es recurrente en su discurso la alusión al diálogo con sus grupos de interés. Las redes son presentadas como uno de sus principales medios de comunicación. Según su página oficial, la compañía cuenta con un perfil de Instagram, una cuenta en Linkedln, una en Youtube, una en Twitter y un perfil de Facebook, que en 2019 fue su canal con mayor número de interacciones (Vale, 2020b).
Primera catástrofe: ruptura de la represa Fundão, en Mariana, Brasil (2015)
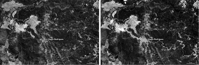
El 5 de noviembre de 2015, ocurrió la ruptura de la represa de Fundão, en Mariana, Brasil, que era propiedad de Samarco, un emprendimiento conjunto entre Vale S. A. y BHP Billiton -cada una con 50% de participación- (Vale, 2016) . Más de 44 millones de metros cúbicos de lodo y residuos tóxicos con arsénico y mercurio sepultaron la localidad de Bento Rodrigues, que ocasionaron la muerte de 19 personas y destruyeron 600 hogares y cerca del 80% del ecosistema ("Minera Samarco", 2017).
Otras ciudades se afectaron y quedaron sin agua ni energía, porque el lodo recorrió más de 665 kilómetros por el río Doce ("El desastre de Mariana", 2017; "Minera Vale causa tragedia en Brasil", 2015). Según Prensa Rural (2015), la catástrofe dejó más de 1,2 millones de personas afectadas en 39 municipios: 36 del estado de Minas Gerais y tres del estado de Espírito Santo. Por ello, ha sido catalogada como la catástrofe ambiental más grande en la historia de Brasil (figuras 1 y 2) ("Una tragedia histórica", 2015; "Minera Vale causa tragedia en Brasil", 2015).

Fuente: Nasa Earth Observatory (2015).
Figura 1 Localidad de Bento Rodrigues, antes (izquierda) y después (derecha) de la catástrofe.

Fuente: Mariana. Água e energia não são mercadorias! (2016).
Figura 2 Destrucción causada por el desastre (izquierda); MAB protesta contra Vale (derecha).
Según reportes de Samarco, la auditoría externa en julio del 2015 había determinado que la represa era estable. Asimismo, el reporte de sostenibilidad de Vale de 2015 aseguraba que todas las represas de su propiedad eran monitoreadas e inspeccionadas técnicamente (Vale, 2016). No obstante, reportes de la comunidad manifiestan que esta tragedia era previsible y, sobre todo, evitable, pues los reportes ambientales del Instituto Prístino señalaban problemas de seguridad ("Brazil's mining tragedy: was it a preventable disaster?", 2015). Asimismo, el Movimiento de los Afectados por las Represas (MAB) denunció que Vale, BHP Billiton y Samarco sabían que la represa iba a colapsar ("MAB protesta em escritório da Vale, no Rio de Janeiro", 2017) .
En 2016 Vale y BHP acordaron la creación de la Fundación Renova para la reparación socioeconómica y socioambiental fruto de la catástrofe, lo que agravó la situación de los municipios perjudicados, al impedir que los afectados participaran en el diálogo para resolver el conflicto, ya que "el concepto mismo de afectado fue deconstruido por la empresa, a fin de reducir los costos de los daños" (Vignolo-Silva, 2019, p. 12).
Después de la tragedia, se controvertía la calidad del agua para el consumo humano de las cuencas afectadas. Varios desplazados de las localidades afectadas esperaban su reasentamiento y más de 7.000 pescadores del área perdieron su medio de subsistencia. En 2018, Vale y BHP Billiton acordaron con la Fiscalía de Minas Gerais recompensar a los familiares de los fallecidos ("Vale y BHP llegan a un acuerdo final con fiscales", 2018).
Segunda catástrofe: ruptura del dique Córrego do Feijão, en Brumadinho (2019)
El 25 de enero del 2019, un dique de la mina Feijão en la localidad de Brumadinho colapsó, arrojando 11,7 millones de metros cúbicos de lodo tóxico que inundaron los edificios de la mina con aproximadamente 600 empleados, residuos que llegaron al río Paraopeba. Pese a que en términos ambientales la tragedia fue menor que la del 2015, en términos humanos fue más grave, con al menos 300 muertos (Freitas et al., 2019).
El reporte de sostenibilidad de Vale de 2018 expresó que, aunque la represa se encontraba inactiva, se habían cumplido todos los procedimientos para garantizar su seguridad y que la seguridad de las personas era su prioridad, por lo que contaba con un sistema de gestión integrado, alineado con los principios del Consejo Internacional de Minería para identificar y evaluar riesgos y establecer acciones (Vale, 2019g). Así, la empresa plantea que lo ocurrido fue un accidente.
En contraposición, organizaciones no gubernamentales (ONG), como el MAB y Ecologistas en Acción, así como miembros de la sociedad civil, manifestaron que la catástrofe de Brumadinho fue una tragedia anunciada (EJatlas, 2019), incluso después de que el CEO de Vale, Fabio Schvartsman, manifestara en 2017 que lo ocurrido en Mariana no se repetiría nunca más (Serna, 2019). Según estas organizaciones, la infraestructura carecía de condiciones para retener los desechos y, al ser una represa de relaves -en la que el lodo es el material que sujeta-, tenía grandes riesgos, incluso con cambios sutiles como los producidos por un aumento de agua por las lluvias (figuras 3 y 4) (The New York Times, 2019).

Fuente: Estado de Minas (2019).
Figura 3 Brumadinho antes (izquierda) y después (derecha) de la catástrofe.
Para Vignolo-Silva (2019), este episodio generó desconfianza hacia Vale e instó a que la sociedad civil se organizara rápidamente para atender a los afectados, exigiendo la reparación de los daños sin la intermediación de terceros (tratando de evitar un episodio similar al de 2015, con la Fundación Renova).
Metodología de recolección y análisis de datos
Este es un estudio de caso exploratorio (Yin, 2003), que utiliza el análisis sobre métricas y reacciones en redes sociales y el análisis crítico del discurso (ACD), siguiendo a van Dijk (2003) y Pardo (2013). Elegimos Facebook como la red social por analizar, porque el perfil de Vale en esta red cuenta con el mayor número de seguidores5 (a 779.645 personas les gusta la página, y 789.117 la siguen)6 y porque los usuarios pueden participar sin límite de caracteres para expresar su opinión. Tal y como lo señalan diversos estudios, Facebook se presenta como un espacio de debate propicio para diversos stakeholders (She & Michelon, 2019).
Para analizar el impacto de las catástrofes en Facebook, tomamos una ventana de observación de dos meses por evento. Un mes anterior y un mes posterior a la ocurrencia de cada una de las catástrofes. Para realizar las métricas, se utilizó el software Fanpage Karma, usado en otros estudios (Araújo, 2018; Jayasingh, 2019). Analizamos el número y tipo de comentarios que recibían las publicaciones y las reacciones diarias (los "me gusta" -para los dos eventos- y los "me enoja", para el evento del 20197), ello nos permitió contrastar desde el punto de vista empírico, la reacción de los stakeholders frente al conflicto, el tono y la constancia de sus solicitudes a través de Facebook. Este análisis también fue usado para comprender la dinámica de diálogo entre la empresa y los usuarios participantes (los grupos de interés).
Adicionalmente, para el ACD seguimos la ruta metodológica que se muestra en la figura 5. Considerando que nuestro enfoque reclama un análisis del contexto, nuestro corpus integra los discursos en Facebook y los triangula con otros dispositivos discursivos como los informes de sostenibilidad y las páginas web de la empresa. Contrastamos esta información con redes sociales y páginas web de organizaciones sociales y grupos de interés externos a Vale. Este análisis nos permitió desvelar el sentido de los discursos de Vale a través de Facebook y poner en tensión las categorías centrales del estudio: la rendición de cuentas y la transparencia.

Fuente: elaboración propia con base en van Dijk (2003) y Pardo (2013).
Figura 5 Ruta metodológica del ACD.
La perspectiva del ACD que asumimos reconoce que todo discurso está cargado de intereses que no siempre son expresados de forma directa. Para desvelar el sentido y las intenciones de este, debe partirse de un análisis general del corpus que identifique los conceptos esenciales del discurso, los actores que se visibilizan y su importancia y nominación. Luego, se realiza el análisis semiótico y textual mediante el cual se desvelan y analizan las macroestructuras o temas rectores del discurso, y se interviene el discurso desde el punto de vista lingüístico y semiótico. A través del análisis de las figuras retóricas usadas en el discurso (como la metáfora, la hipérbole, la sinestesia, entre otras), puede comprenderse el sentido de una oración, por ejemplo: la persuasión, la disuasión, el embellecimiento, la exaltación, la naturalización o la invisibilización del fenómeno que se narra. También se analiza el estilo léxico que comprende los significados locales o implícitos -aquellos que contribuyen a la representación mental del fenómeno, porque excluyen o incluyen actores y los posicionan de manera positiva o negativa-. Finalmente, en este aspecto pueden analizarse los actos de habla dentro de los que se encuentran los locutivos, ilocutivos, directivos, afirmativos, entre otros, y que permiten interpretar una intención particular. Esto debe contrastarse con un análisis del contexto, para lo cual debe establecerse qué actores hacen parte del fenómeno real, cuáles son sus roles y cuáles son sus ideologías (Pardo, 2013; van Dijk, 2003).
Resultados y discusión
Nos preguntamos si las redes sociales permitieron la rendición de cuentas dialógica y mayor transparencia respecto a las catástrofes ocurridas por la ruptura de las represas de Vale. Así, inicialmente buscamos las macroestructuras semánticas presentes en el corpus. Estas son categorías que dirigen el discurso, mediante las cuales el emisor pretende generar un tipo particular de percepción. La figura 6 muestra los tres grandes temas (categorías) abordados interdiscursivamente por Vale; el orden obedece a la importancia de su cubrimiento discursivo en Facebook.
La primera categoría recoge los discursos sobre las acciones de reparación y compensación. Observamos que, en Facebook, durante el periodo analizado, estas acciones son abordadas directamente como discurso de "ayuda". La segunda categoría que dirige el discurso se centra en la justificación del daño, siempre desde una perspectiva de emergencia y cumplimiento legal. La tercera es la relacionada con la información emitida frente a los hechos y la intervención de expertos técnicos que avalan las actuaciones de Vale.
Estas categorías se encuentran permeadas por alusiones a diversos afectados y a quienes aparentemente se dirige el discurso. A pesar de que el discurso corporativo en Facebook, particularmente el del CEO, usa significados implícitos mediante expresiones como nosotros, nuestro, necesitamos, queremos, para incluir a su interlocutor como igual, otras variedades discursivas en la misma red social y en los reportes de sostenibilidad detallan una primacía de Vale sobre los otros. El cubrimiento del discurso no da cabida a voces externas, lo que dibuja a un otro pasivo, abstracto, sin identidad definida.
La ausencia de diálogo
Pese a que el diálogo y la participación son mencionados como un pilar corporativo, se observa, tanto en Facebook como en otros medios, que no fue central para Vale. Ningún discurso en Facebook aludió consistentemente a categorías como diálogo, participación o confrontación, ni estas conforman temas rectores en las otras unidades analizadas.
La página web de reparación de Vale señala que "es a través del diálogo abierto y permanente que tenemos la capacidad de entender las demandas y de caminar hacia adelante juntos" (Vale, 2020a). No obstante, se evidenció que en Facebook el 100% de los post relacionados con el evento tuvieron reacciones con preguntas directas sobre la manera como la empresa atendía los hechos y Vale repetía sus respuestas -de forma estandarizada- y no permitía entablar un diálogo sostenido. No todas las inquietudes de los stakeholders fueron respondidas, por lo que los usuarios no interlocutaron en igualdad de condiciones.
Tampoco se evidenció diálogo entre Vale y organizaciones de la sociedad civil. Esto implica que no se presentan las condiciones que caracterizarían una rendición de cuentas dialógica (Brown, 2009; Dillard & Vinnari, 2019; Unerman & Bennet, 2004). Por el contrario, se observaron dinámicas de difusión de información por separado en cada perfil oficial; Vale proporcionaba algún tipo de información en su perfil y, por otro lado, el MAB publicaba denuncias específicas en contra de Vale en su propio perfil oficial. Esto implica que el movimiento social tampoco considera la interacción con la empresa como constitutiva de un diálogo (no se comprende al otro como su par para la deliberación).
Justamente, en cuanto al nivel de participación de los grupos de interés a través de Facebook, los dos eventos tienen un comportamiento similar. Según se observa en las figuras 7 y 8, después del primer anuncio, el número de comentarios se incrementa ostensiblemente. En el caso del primer evento, el aumento porcentual fue de 235% (n = 2.136), mientras que en el segundo evento fue equivalente a 18.615% (n = 19.090) -el anuncio de la segunda catástrofe generó el mayor número de comentarios en el perfil de Vale durante el 2019-.

Fuente: elaboración propia a partir de Fanpage Karma (2020).
Figura 7 Comentarios antes y después del evento 1.

Fuente: elaboración propia a partir de Fanpage Karma (2020).
Figura 8 Comentarios antes y después del evento 2.
El tono de los comentarios constata lo expuesto por Vignolo-Silva (2019) y por el MAB, en el sentido de que expresan disgusto, decepción y desconfianza hacia Vale. Casi la totalidad de comentarios registrados son negativos, reflejan indignación y exigen a la compañía acciones prontas para mitigar el daño. Un análisis de los hashtags más usados revela que, mientras Vale hacía uso del hashtag #ValeInforma, los usuarios viralizaron el hashtag #valeassassina, configurando una de las manifestaciones de shitstorms de los indignados de Vale (Han, 2014a). Ejemplos de los comentarios recibidos se observan en la figura 9. Omitimos la identidad de quienes comentan.

Fuente: Vale (2019d).
Figura 9 Ejemplos de comentarios frente al anuncio de la catástrofe en Brumadinho.
Una búsqueda en la cuenta de Facebook de MAB en el mismo periodo de observación arroja que, inmediatamente después de la catástrofe, esta organización emitió aproximadamente 300 post de denuncia con testimonios directos de los afectados.
En cuanto a las reacciones, los "me gusta" en la ventana de observación del primer evento no muestran descensos significativos, en comparación con el segundo evento, que contrasta con el pico importante de los "me enoja" (n = 7.610), en la publicación que anuncia la catástrofe de Brumadinho (esta fue la publicación con peores reacciones en el periodo) (figuras 10, 11 y 12).

Fuente: elaboración propia con base en Fanpage Karma (2020).
Figura 10 "Me gusta" antes y después del evento 1.

Fuente: elaboración propia con base en Fanpage Karma (2020).
Figura 11 "Me gusta" antes y después del evento 2.

Fuente: elaboración propia con base en Fanpage Karma (2020).
Figura 12 "Me enoja" antes y después del evento 2.
La fugacidad de participación a través de comentarios tampoco permitió el diálogo sostenido entre usuarios. Pocos insistieron con solicitudes de información o en sus críticas a la empresa en varios post y en diferentes días. Tal como señala Han (2014a), la indignación genera olas inestables de movilización y aglutinación que pronto desaparecen, haciéndolas fugaces y volátiles, de manera que el aumento de información en las redes no se traduce ni en una rendición de cuentas dialógica ni en un verdadero proceso de transparencia. Esto se debe a la velocidad y superficialidad con la que los eventos son presentados y a la ausencia de identidad política de los participantes para trascender el "me gusta" o "me enoja", reduciendo a interacción y a queja del consumidor de información (Han, 2014b). Esto significa que los stakeholders indignados conformaron un enjambre digital ante el desastre causado por la operación de Vale, y esta, al no tener un actor colectivo capaz de acción común que le cuestionara el poder, siguió impune.
Adicionalmente, como una manera de mitigar opiniones negativas frente a Vale, en sus discursos se observó el uso de significados implícitos, mediante el empleo de actores que representan una autoridad profesional. Así, por ejemplo, en uno de los videos posteados en Facebook, una consultora ambiental contratada por la empresa afirma lo siguiente: "Existe una distorsión muy grande de que Vale no estaba haciendo nada. No, [...] toda esa estructura que ustedes han estado viendo aquí ha sido pensada desde el rompimiento de la represa [...] y Vale no está midiendo esfuerzos en infraestructura"8 (Vale, 2019b [énfasis añadido]).
¿Transparencia u opacidad en Vale?
En cuanto a la transparencia, se identifica en los discursos la presencia de la macroestructura semántica 3 "información e investigación" (figura 6), y aunque Vale divulgó aspectos relacionados con las catástrofes en Facebook, su actuación está lejos de ser considerada transparente, puesto que no se evidencia qué decisiones y acciones se tomaron desde la compañía para prevenir los eventos y si existía o no conocimiento interno de los riesgos. La información dispuesta no transparenta acciones, decisiones, ni responsabilidades (Hood, 2010; Vosselman, 2016).
En la información dispuesta en Facebook existe un comportamiento disímil en el tratamiento de las dos catástrofes. El total de post obtenidos en cada ventana de observación se resume en la tabla 1. Mientras que en el evento del 2015 solo el 20% de los post abordaban el tema específico de la catástrofe de Mariana (n = 1), en el 2019 el 93% divulgaban información específica sobre Brumadinho (n = 13).
Tabla 1 Post por evento.
| Evento | Fecha de ocurrencia | N.° de post anteriores | % | N.° de post posteriores | % | Total | N.° de post específicos sobre el evento | % |
|---|---|---|---|---|---|---|---|---|
| Evento 1 Mariana | 5 -11-2015 | 56 | 92% | 5 | 8% | 61 | 1 | 20% |
| Evento 2 Brumadinho | 25-01-2019 | 20 | 59% | 14 | 41% | 34 | 13 | 93% |
Fuente: elaboración propia.
Esto podría explicarse por dos aspectos. El primero es la desresponsabilización directa de Vale frente al evento. Tanto los post como el informe de sostenibilidad del 2015 enfatizan que la tragedia ocurrió en una mina de Samarco, como si se tratara de un hecho ajeno a Vale; incluso, el director ejecutivo expresó en una declaración que los protocolos de seguridad y las acciones frente a las represas en Samarco y en Vale son diferentes (Vale, 2015)9. El segundo aspecto tiene que ver con la apropiación de las redes sociales como canal de información a través del tiempo. Mientras en la catástrofe de 2015 Vale se enfocaba en usar Facebook como un medio complementario que redirigía a los usuarios a su página web, en 2019 las redes sociales se convirtieron en el principal medio de interacción entre la compañía y los stakeholders (Vale, 2020b). No obstante, esta interacción, como lo muestra el análisis de las reacciones y respuestas, no transita a construir comunicación (Han, 2013).
Además, en el caso de la catástrofe de 2015 hay un lapso entre la ocurrencia del hecho -5 de noviembre- y la fecha del anuncio en Facebook -11 de noviembre-, lo que hace que la divulgación por parte de Vale sea tardía en términos de la inmediatez esperada en redes sociales.
El contenido de la información divulgada tiene un carácter superficial, pues no se aclaran las acciones y decisiones corporativas que causaron el desastre. Tampoco se proporcionó información equilibrada que evidenciara las tensiones y conflictos presentes. Por el contrario, el discurso de Vale presenta significados implícitos que buscan presentarla como una empresa comprometida, que cumplió con la ley y que hizo todo lo posible para que sus represas estuvieran en óptimas condiciones. Ejemplo de ello se observa en un video del CEO posteado en Facebook: "Señores, Vale es una empresa muy seria; hicimos un esfuerzo inmenso desde el punto de vista de dejar nuestras presas en la mejor condición posible imaginable. Utilizamos toda la tecnología, especialmente después de Mariana. Es una lista interminable de acciones que se han tomado, desde el punto de vista de garantizar la estabilidad y seguridad de estas represas" (Vale, 2019a [énfasis añadido])10.
La cuenta de Facebook de Vale no permitió generar comunicación sobre ninguna de las dos catástrofes, puesto que no se explicaron con suficiencia los hechos, ni se suministraron datos exactos de los grupos afectados o del impacto sobre la naturaleza, pero sí utilizó un léxico técnico mediante el cual "expertos independientes" y sus pronunciamientos a favor de Vale opacaron las causas de las rupturas. Al respecto, un informe de la Agencia Estatal de Minería (ANM) detalla en su estudio técnico que Vale omitió información sensible y aportó información incorrecta, lo que impidió una adecuada evaluación externa del nivel de riesgo ("Informe oficial: minera Vale omitió información.", 2019).
Reiterativamente, el discurso de los directivos de Vale hace uso de actos de habla que buscan concentrarse en acciones futuras y no en dar cuenta sobre las causas y responsabilidades de los hechos. Así, tanto en Facebook como en su página web, insistentemente se identifican frases como "Avancemos, esto es lo urgente". Además, las imágenes de las publicaciones evitaron a toda costa reflejar la situación directa de la afectación. En el caso de las personas, no hubo primeros planos, ni entrevistas a los afectados, sino imágenes lejanas, de espaldas y borrosas, con mensajes connotativos de lejanía (Cabrera-Narváez & Quinche-Martín, 2021). En el caso de los animales, solo se mostraron aquellos que se encontraban en buenas condiciones. Tampoco se mostraron imágenes o videos sobre la magnitud del daño ambiental (Vale, 2019c)11.
Así, es posible evidenciar que la transparencia aludida por Vale es en realidad información y simulación de apertura. En esencia, la provisión de información a través de redes sociales no logró evidenciar la negatividad de la interacción que reclama el diálogo (Han, 2014b); por el contrario, facilitó la continuidad de su operación al "hacer pública" la tragedia a su manera. Todo esto evidencia que más información en redes no implica transparencia.
La rendición de cuentas que desresponsabiliza
El discurso de Vale está enfocado en la desresponsabili-zación de lo ocurrido. Sus publicaciones en Facebook, sus informes de sostenibilidad y su página web usan un eufemismo para aligerar la carga de los hechos, enfatizando en la idea de "accidente". Hay actos de habla ilocutorios que mezclan figuras retóricas (como la sinestesia metafórica y la hipérbole) y emociones para maquillar su responsabilidad. Como ejemplo, el CEO de Vale se refirió a la ruptura de Brumadinho de esta manera: "Es algo que lastima mi alma, no quería en mi vida que sucediera algo así", y respecto a las acciones de respuesta por los hechos mencionó "Vale va a hacer todo lo posible e imposible para ayudar a las personas afectadas" (Vale, 2019a)12.
Uno de los ejemplos más claros de desresponsabilización por parte de Vale se encuentra en la afirmación reiterada de haber cumplido siempre con los estándares dispuestos por ley, en relación con la seguridad de las represas. En esta declaración se observa un significado particular en el que el CEO traslada la responsabilidad a los reguladores, y usa figuras como la anáfora y la interrogación retórica para reforzar su acción:
Queremos que ese tipo de accidentes nunca más ocurran ¿Y qué estamos haciendo en esa dirección? Tenemos en este momento un gran grupo trabajando en un plan [...] que se presentará en los próximos días y que tiene un solo objetivo: ir más allá de las normas de seguridad del mundo y brasileñas en relación con las represas. Nos impondremos esto a nosotros mismos para trabajar. ¿Por qué es eso? Porque aparentemente no funcionó trabajar dentro de las normas. El hecho verdadero y triste es que no fue suficiente. Si no tuvo éxito, solo tiene una solución: ir más allá, iremos más allá.13 (Vale, 2019a [énfasis añadido])
Las acciones emprendidas por Vale para "ayudar" a los afectados predominó en el discurso, con una gran cantidad de cifras posteadas de Facebook e incluidas en los informes y páginas web. Se identifica el despliegue de acciones y la destinación de recursos financieros en cuatro frentes, como se muestra en la tabla 2, que buscan plantear que el incidente se gestionó como un daño colateral, fruto de un accidente, que puede ser resarcido financieramente, sin necesidad de responder legal, moral y políticamente (Bauman, 2011). Así, se concibe la rendición de cuentas como información sobre cifras financieras vinculadas con acciones, antes que explicaciones.
Tabla 2 Frentes de actuación y enfoque de rendición de cuentas en el discurso de Vale en Facebook.
| Frente de actuación | Enfoque de rendición de cuentas |
|---|---|
| Humanitario | Soporte a los afectados y a las familias |
| Cifras en dinero y cantidad de alimentación, medicamentos y transporte | |
| Cifras en dinero y cantidad de alojamiento de población afectada | |
| Cifras de dinero enviado al ayuntamiento de Brumandinho para contratación de personal especializado en asistencia psicosocial | |
| Cifras de donaciones en dinero para familiares de fallecidos o para dueños de negocios afectados | |
| Ambiental | Prevención y corrección de daños |
| Cifras en cantidad de puntos de recolección de agua | |
| Cifras de animales rescatados | |
| Cifras en dinero y cantidad de animales dispuestos en refugios | |
| Cantidad de membranas antiturbidez | |
| Cifras de distribución de agua para el consumo humano | |
| Cifras en dinero y cantidad de profesionales veterinarios, biólogos, auxiliares contratados | |
| Seguridad | Reforzar operación y disposición de represas |
| Actividades efectuadas para descaracterizar represas inactivas | |
| Acuerdos | Indemnizaciones otorgadas y por otorgar para el sustento de los afectados |
| Pago de indemnizaciones por emergencias a los moradores cercanos al lecho del río Paraopeba | |
| Pago de salarios a los familiares de empleados fallecidos | |
| Plan médico vitalicio para viudas, compañeros y dependientes hasta los 22 años | |
| Atención psicológica | |
| Guardería para niños de hasta tres años | |
| Auxilio de educación a los menores de 18 años que vivan en el área del desastre |
Fuente: elaboración propia con base en el análisis de post y de los informes de sostenibilidad.
A pesar de que en los discursos de Vale se pide perdón a las víctimas, no hay asunción de responsabilidad directa. Esto permite mostrar que divulgar más información no implica necesariamente rendir cuentas de las acciones, asumir responsabilidad y afrontar moralmente las consecuencias de las decisiones. La rendición de cuentas en redes parece reemplazar el proceso moral con el tecnicismo de informar.
Conclusiones
La penetración y expansión de Internet y de las redes sociales ha permitido su utilización por parte de las empresas para divulgar información financiera y no financiera, lo que llevó a que practicantes, reguladores y académicos argumentaran que los medios digitales podrían ampliar la rendición de cuentas y la transparencia corporativa. La literatura académica que documenta y explica la utilización de redes sociales para divulgar información social y medioambiental está en aumento. Aunque los resultados aún no son concluyentes, existe optimismo sobre la potencialidad de las redes para construir una rendición de cuentas dialógica.
Los argumentos a favor de la utilización de redes sociales para la divulgación de información social y medioambiental se concentran en la exposición pública más amplia de las empresas y en el aumento de la información disponible para los grupos de interés. Esta investigación, por ejemplo, se benefició de la existencia de dicha divulgación por medio de redes sociales y otros medios electrónicos. Entre los argumentos en contra, se encuentra la utilización predominante de las redes sociales para gestionar las expectativas y los sentimientos de los grupos de interés y en la profundización del uso de la información con propósitos de legitimación gerencial y corporativa.
Este trabajo plantea algunos argumentos centrales, relativos a las transformaciones que las redes sociales están generando en la subjetividad, las relaciones de poder, la moralidad y la sociedad, que deberían ser considerados para una reinterpretación de la rendición de cuentas y la transparencia. Desde los argumentos de Byung-Chul Han, podemos plantear que las redes reconfiguran el sentido de lo visible y lo real, ya no como un proceso que "traspa-renta", sino que surge del impulso y la "necesidad" proactiva de participar, llevando incluso a simular y a eliminar la negatividad propia de la verdad, de la interioridad y del "conflicto" intrínseco de la vida con los otros. Las redes impulsan un tipo de transparencia, que no problematiza la complejidad de la producción, por ejemplo, sino que la reducen a la disposición de más información y al impulso de más interacción a partir de sentimientos; no obstante, la comunicación es más que solamente la interacción.
Por su parte, la rendición de cuentas termina reducida a un proceso unidireccional que no permite el diálogo. La idea de la capacidad de disposición de información ilimitada en redes (y la presión por contarlo todo) descualifica la comunicación e impulsa el crecimiento de mensajes e informes, que no explican ni justifican las decisiones, por lo que terminan desresponsabilizando el proceso de rendición de cuentas. Así, la obligación moral frente a los interesados de explicarse, justificarse y descargar su responsabilidad queda reducida al procedimiento técnico de interactuar en redes. Con todo esto, las redes sociales transforman a los ciudadanos en consumidores y promueven la vigilancia, que es lo contrario a la confianza; fruto de ello, la democracia se ve menguada. Esto pondría en cuestión la potencialidad dialógica y democrática de la divulgación de información en redes sociales.
En el caso estudiado vemos que, en la rendición de cuentas de Vale frente a las catástrofes, no se asumen responsabilidades directas y no se entregan explicaciones sobre las causas y consecuencias de los sucesos (esto también ocurre en su informe de sostenibilidad de 2018). Esta rendición de cuentas, como simple provisión de información, es un asunto operativo, que no asume responsabilidades morales por parte de la empresa y sus directivos. Al realizar pagos financieros, como una forma de asumir un "castigo", parece que Vale asimila tan solo el riesgo reputacional de su actividad. Por ello, la empresa busca enfrentar la pérdida de legitimidad por los eventos, reproduciendo la lógica de "el que contamina paga", que cada vez más se aleja de la sustentabilidad.
Ninguna de las divulgaciones realizadas por Vale hace evidente los conflictos socioambientales intrínsecos a la minería, ni informa sobre los riesgos de la actividad extractiva. Lo ocurrido se reduce a una falla "técnica" y no se explica como un riesgo y una consecuencia intrínseca de una actividad que genera un volumen de residuos en el largo plazo inmanejable. Por consiguiente, no hay transparencia, porque no se reconoce el conflicto socioambiental que la actividad encarna y porque la información entregada no da cuenta de las acciones causantes y los efectos de lo ocurrido.
La dinámica del uso de Facebook por parte de Vale muestra que el diálogo no depende esencialmente de los medios o canales. Es decir, dialogar no es un asunto técnico o de disponibilidad de medios; es, sobre todo, un asunto moral de reconocimiento del otro, por una parte, y un asunto político de deliberación para el consenso y la acción, por otra. La acción comunicativa, por tanto, no es característica en el uso de las redes sociales para la rendición de cuentas de Vale.
Este trabajo enfrentó las limitaciones propias de la metodología adoptada en la investigación y de la comprensión contextual de los impactos y vivencias de los afectados. Aunque buscamos recoger sus voces por medio de los movimientos sociales que los representan, la información que dichas entidades produce es también muy limitada. Por lo tanto, un reto para la investigación futura será desarrollar investigación de campo.
Finalmente, dado que los contables somos propensos a quedar capturados por las herramientas, los procedimientos y las tecnologías, usar las redes sociales para divulgar información financiera y no financiera, de fondo, nos obliga a reinterpretar las categorías y conceptos que muchas veces damos por sentado, tales como la rendición de cuentas y la transparencia, que hoy hacen parte del léxico del poder.
















