1. Introducción
Los Compuestos Orgánicos Volátiles (COVs) son de especial importancia en la química atmosférica, ya que junto con los óxidos de nitrógeno (NOx) son precursores de la formación de contaminantes secundarios como el ozono [1] y de aerosoles orgánicos secundarios [2]. Los COVs son emitidos por numerosas fuentes antropogénicas como son: escapes de los automóviles, fugas de gas LP, evaporaciones de combustibles, solventes industriales o residenciales, extracción y refinación de petróleo, quema de biomasa de entre otros, siendo también emitidos por fuentes naturales en la vegetación [3],[4]. Los COVs pueden tener efectos que se han dividido en dos categorías principales [5]. La primera consiste en los efectos directos, debido a que varios de estos compuestos tienen características tóxicas, mutagénicas o cancerígenas. La segunda clasificación se refiere a los efectos indirectos ya que estos compuestos participan activamente en la formación de contaminantes secundarios, especialmente de los contaminantes fotoquímicos.
Al abarcar un amplio espectro de sustancias, sus efectos directos sobre la salud son variables y dependen esencialmente de la naturaleza del compuesto y del grado de exposición al mismo. Algunos no parece que causen ningún daño, pero otros, en concentraciones especialmente altas, afectan al sistema respiratorio o podrían provocar cáncer y afecciones teratogénicas y mutagénicas (hidrocarburos aromáticos policíclicos, benceno, etc.).
La exposición a largo plazo puede ocasionar también daños en el hígado, los riñones y el sistema nervioso central, mientras que altas concentraciones a corto plazo pueden causar irritación en las mucosas, dolor de cabeza, náuseas, mareos y reacciones alérgicas [6].
No obstante que hay evidencia de que a los niveles típicos medidos sobre todo en ambientes urbanos estos compuestos pueden causar daño a la salud, los COVs no se consideran contaminantes criterio por la normatividad actual. Por lo que en México no se ha establecido un límite máximo de concentración en el aire ambiente con la finalidad de proteger la salud humana y asegurar el bienestar de la población [5]. La Organización Mundial de la Salud ha realizado extensos estudios sobre la exposición de algunos de estos compuestos orgánicos en Europa, estableciendo datos concretos sobre el grado de exposición y los efectos registrados sobre la salud. Sin embargo, actualmente la normativa tan sólo establece valores límite para el benceno, con un promedio anual de 4.40ppb v y exige la medición de determinados compuestos orgánicos volátiles como precursores del ozono [7].
Por otro lado, el problema de la contaminación por ozono en la ZMCM es reconocido a nivel mundial y hasta la fecha todavía se especula si es un problema que debe involucrar medidas de control locales o regionales, por lo que es de gran relevancia documentar el rol de la dinámica y el potencial de formación de ozono los COVs en la ocurrencia de este problema que afecta a más de 20 millones de habitantes.
La especiación de COVs en el aire, permite aproximar el potencial de formación de ozono que puede ser generado al estar presentes altos niveles de NOx cerca de áreas urbanas. Además, en combinación con otras herramientas de análisis permite conocer índices como el de la edad fotoquímica que combinado con información meteorológica ayuda a identificar la posible localización de las fuentes potenciales de emisión. Esta información es fundamental para el diseño de estrategias de control de oxidantes fotoquímicos.
El conocimiento del perfil vertical de los COVs en la capa más baja de la atmósfera permite entender con mayor certidumbre la influencia del efecto de mezclado por turbulencia de las emisiones de los contaminantes debido a la rugosidad del suelo por edificios, el dosel arbóreo y otros obstáculos típicos de áreas urbanas. Debido a esta rugosidad el mezclado vertical no es uniforme, por lo que las concentraciones de los COVs y otros contaminantes no son similares a nivel superficie que en la altura [8]. Además, y aún más importante es el hecho de que los COVs tienen potenciales de reactividad diferentes por lo que aquellas especies con mayor reactividad pueden ser fácilmente removidas más cerca de la superficie por su reacción con otras especies contaminantes. Por otro lado, la formación de la capa de inversión superficial nocturna puede aislar contaminantes en la altura de las emisiones generadas por la actividad urbana nocturna y cuyas concentraciones pueden permanecer relativamente constantes hasta que al nuevo día son mezcladas con las emisiones matutinas al romperse la capa de inversión. Como resultado, el potencial de formación de ozono de una mezcla de COVs emitidos en un área urbana puede ser diferente a nivel de superficie que decenas de metros por arriba de las emisiones [9].
Por esta razón, es frecuente el uso de mediciones de contaminantes por arriba del dosel urbano en estudios de contaminación fotoquímica. Para este objeto se han utilizado diferentes plataformas de medición como: torres meteorológicas y de transmisión de televisión [10],[11], globos cautivos adaptados [9],[12],[13],[14],[15],[16],[17] edificios muy altos [18],[19] y recientemente drones [20]. En general alturas de entre 100 y 200 m sobre la superficie son las típicamente recomendadas.
2. Planteamiento del problema
Mientras que el uso de torres para el muestreo de COVs en la vertical es limitado por condiciones de seguridad y de disponibilidad de infraestructura para montar equipos de muestreo, las mediciones en edificios altos tiene además de restricciones de seguridad, problemas de representatividad dadas las corrientes de turbulencia y recirculación que se forman en torno al edificio, en tanto que el uso de drones conlleva un riesgo de pérdida del equipo si ocurre una situación de turbulencia espontánea y/o pérdida del control del dispositivo. El muestreo con ayuda de globos cautivos representa una alternativa relativamente no costosa, portátil, y más segura por tener su base en la superficie [21]. Y si bien, los globos cautivos están limitados a un peso máximo permisible, a la colocación de un número limitado de sensores, y en ciertos lugares a restricciones por tráfico aéreo, su uso permite caracterizar la capa límite con alcances de más de 1 km, y puede ser utilizado por periodos de tiempo relativamente largos sin que signifique un incremento en el costo de operación importante.
Bajo el interés de integrar un sistema portátil de bajo costo y peso para el muestreo del perfil de COVs que pudiera ser montado en globos meteorológicos cautivos, se diseñó un prototipo de muestreo con cartucho empacado miniaturizado programable donde el inicio y fin de captura son controlados desde superficie. Asimismo, se planteó la necesidad de que los sistemas fueran de fácil reproducción para así disponer un conjunto de muestreadores suficientes que pudieran ser anclados al cordel de sujeción de un globo cautivo meteorológico a diferentes alturas y así contar con más puntos de colección de muestras.
Si bien el uso de sistemas miniaturizados de muestreo no es nuevo, la ventaja que presenta este equipo es poder controlar el encendido y apagado de las bombas de succión en forma simultánea mediante una señal de control, lo que asegura que el periodo de muestreo sea el mismo en todos los sistemas muestreadores. El controlar el encendido y apagado permite elevar el globo y ubicarlo en la altura de interés para iniciar el muestreo y así no depender de la velocidad de ascenso del globo con la bomba de succión ya encendida ni de la ocurrencia de otros factores como la posible suspensión del muestreo ante la presencia de condiciones adversas de trabajo, situación que forzaría a la suspensión del muestreo y la consecuente inutilización de los cartuchos. Con este prototipo se pretende contar con una alternativa de muestreo que reduzca la incertidumbre tanto de la operación de los diversos sistemas de captura de COVs como de problemas de desigualdad en el tiempo de muestreo, así como del aseguramiento del muestreo precisamente en el nivel de interés.
El propósito de este trabajo es presentar el diseño del muestreador miniaturizado y algunos resultados obtenidos de una campaña corta medición de COVs a diferentes alturas realizada para la evaluación del desempeño del prototipo, y de esta forma compartir a la comunidad interesada en el estudio de COVs las ventajas de este diseño.
3. Materiales y métodos
3.1 Diseño propuesto
La solución planteada se basó en el desarrollo de sistemas electrónico para el muestreo activo de COVs o esclavos y un sistema de control programable maestro que comanda a los esclavos desde superficie por medio de un método de comunicación basada en radio frecuencia tal y como se muestra en la Figura 1.
4. Descripción y diseño de cada uno de los sistemas
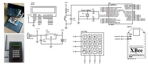
Consiste de un microcontrolador como cerebro del dispositivo, el cual tiene a su cargo las funciones de la captura, manejo, manipulación, y comunicación de la información para el muestreo [22],[23]. Dicho sistema cuenta además con una interfaz de usuario, compuesta por un teclado matricial y una pantalla alfanumérica. La información es enviada y recibida por medio de un radio transmisor [Figura 2].
El microcontrolador tiene como función procesar los datos introducidos por el usuario (número de dispositivos esclavos y tiempo de muestreo) para enviarlos vía radiofrecuencia a los sistemas esclavos ya colocados en los niveles de altura de interés para que estos efectúen el encendido de la bomba de muestreo en el tiempo indicado. Una vez que los esclavos han terminado el tiempo de muestreo especificado, mandan un aviso de que el proceso ha concluido para que se pueda enterar el usuario. Un microcontrolador de bajo costo modelo PIC16F886 de la compañía Microchip es utilizado para el control. Este microcontrolador se seleccionó considerando su relativo alto potencial de trabajo, ya que cuenta con 16 terminales de entrada/salida; posibilidad de 7 canales con convertidor A/D de 10 bits para señales analógicas; módulo de comunicación I2C, SPI y RS232; 256 bytes de memoria EEPROM, una memoria de programa de 4096 Bytes y diversas interrupciones. Se energiza con una alimentación de 2.0 a 5.5 volts [24]. Para el intercambio de información entre los sistemas maestro y esclavo se utiliza un módulo XBee-PRO bidireccional (transmite y recibe), operando en la banda libre de 900 MHz. Su alimentación es de 3 a 3.6 Volts y su tamaño es de 24.38 mm x 32.94 mm. El módulo tiene una potencia de 50 mW y puede transmitir información en línea de vista a una distancia mayor de 10 km [25]. El módulo se comunica con el microcontrolador mediante un protocolo serial RS232. Un comando de control integrado en el PIC16F 886 inicia automáticamente el envío de los datos. Además, cuenta con opciones de configuración avanzada que le permite realizar conexiones con otros módulos (comunicación punto a multipunto), lo cual permite enviar información a varios receptores.
El teclado para la programación es del tipo teclado matricial de 4 columnas por 4 líneas (4 × 4), en tanto que, para visualizar los datos enviados a los esclavos y monitorear el proceso, se seleccionó una pantalla de cristal líquido modelo LM-016L la cual cuenta con dos líneas de 16 caracteres cada una. El sistema maestro ya integrado se muestra en la Figura 3 junto con su esquema eléctrico [26].
Sistemas esclavos:
Cada uno de ellos contiene un microcontrolador, un radio XBee de las mismas características que el dispositivo maestro [25], una batería Litio Polímero de gran capacidad de carga, una etapa de potencia y una bomba eléctrica de muestreo. Todas estas partes están contenidas en una caja la cual cuenta con tomas para fijar la antena y para conectar el cartucho de muestreo de los COVs con la bomba de succión. La Figura 4 muestra el esquema del sistema.
Se seleccionó un microcontrolador modelo PIC16F88 de Microchip por sus capacidades de trabajo en esta aplicación. Su configuración es de 8 bits, con 18 pines y entre sus características incluye una memoria Flash de programa (4Kx14) EEPROM de datos (256x8), con memoria RAM (368 registros x 8), comunicación asincrónica USART en SPI 3 Hilos o I2C en 2 hilos, conversor analógico a digital de 7 canales, y varios puertos de entrada-salida (16 pines en dos puertos, 8 pines el puerto A y 8 pines el puerto B). Puede además ser programado en lenguaje ensamblador o PIC C [24].
El sistema cuenta con una etapa de potencia cuya función es suministrar la corriente necesaria para que la bomba de muestreo opere de forma adecuada. Básicamente, la etapa de potencia esta conformada por un transistor NPN modelo 2N2222 en configuración emisor-seguidor [27]. La base del transistor recibe una señal digital procedente del microprocesador PIC16F88, que es la que le ordena cuando encender la bomba. Al recibir dicha señal el transistor permite el paso de la corriente necesaria para activarla. Para la succión de aire para el muestreo de COVs se utilizó una minibomba de vació Thomas 2002VD cuyas características son: consumobajo de energía (2.5 volts, 50 mA), tamaño muy compacto, peso de 30 g y un flujo de succión constante de ∼ 380 ml/min a una presión máxima de succión de - 400 mbar [28].
La batería de litio-polímero (LiPo) es de 3.7 volts, 2, 000 mA con un peso menor a 50 g. Este tipo de baterías recargables se suelen utilizar en sistemas eléctricos de radiocontrol, especialmente los aviones, helicópteros y drones. Cuentan con una gran capacidad de carga en un tamaño reducido y proporcionan una tasa de descarga alta [29]. El peso del sistema esclavo incluyendo el cartucho es de aproximadamente 200 g. La Figura 5 muestra el arreglo final del sistema y su respectiva configuración eléctrica.
5. Muestreo de COVs y mediciones meteorológicas
El método de muestreo y el análisis de los COVs en este trabajo siguió el método TO-17 de la EPA [30]. El método TO-17 es un compendio que determina compuestos orgánicos volátiles en el aire ambiente utilizando tubos empacados con sorbentes. En dicho método se describen los sorbentes, la desorción térmica y la cromatografía de gases para el monitoreo de COVs en el aire ambiente para un intervalo de 0.5 a 25 partes por billón (ppb v ).
Los COVs son colectados utilizando un cartucho de acero inoxidable empacado con una combinación de los sorbentes Carbosieve SIII® y Carbotrap®. Los cartuchos tienen una longitud de 13 cm de largo y 0.6 cm de ancho de diámetro exterior y 0.4 cm de diámetro interior. El tramo empacado tiene una longitud de aproximadamente 10 cm con tapones en los extremos de fibra de vidrio. Al frente de la toma del aire succionado se insertó un tramo de tubo de teflón relleno de fibra de vidrio de no más de 5 cm impregnado de ioduro de potasio con el fin de remover O3 y así evitar pérdida de COVs por su reacción con ozono [31].
Por otro lado, como los sistemas esclavos van atados al cordel de sujeción del globo cautivo meteorológico, se tiene la ventaja adicional de contar con datos de las variables meteorológicas presión, temperatura, humedad, e intensidad y dirección del viento que son medidos en forma automática por un conjunto de sensores integrados en sistema externo independiente al del muestreo. Las variables atmosféricas se miden cada minuto y envían la información a través de un sistema de radio frecuencia de 2.4 Ghz con una comunicación bidireccional, a una base fija en superficie la cual es la encargada de recibir y procesar la información de la atmósfera en tiempo real. Este sistema de medición fue diseñado como alternativa de bajo costo para su uso en campañas meteorológicas del Centro de Ciencias de la Atmósfera de la UNAM [32].
Para la elevación controlada del globo meteorológico cautivo y mantenerlo fijo a la altura especificada y rebobinarlo a voluntad, ya sea para detenerlo a ciertas alturas o para regresarlo a la superficie, se utiliza un motor de corriente directa de 1/2 HP de potencia, formado con un carrete metálico (aluminio) acoplado a su eje de rotación y un control de velocidad y sentido de giro electrónico, el cual da la pauta para poder elegir la velocidad y sentido de ascenso y descenso del globo. Este tipo de motores tiene la ventaja de poseer un gran torque (potencia de tracción) que asegura que el globo quede fijo una vez decidida la altura del muestreo. El cordel que se utiliza para la sujeción del globo es de seda trenzada distribuido por la compañía Vaisala. El globo utilizado en la evaluación fue del utilizado generalmente en radiosondeos y que es fabricado en látex con una capacidad de volumen de hasta 4 m3.
Las señales de las variables meteorológicas, incluyendo el cálculo de la altura aproximada de estabilización del nivel del globo, fueron procesadas e integradas mediante un software independiente incluido en una computadora que se interconecta a la interfaz de la sonda meteorológica y cuyos valores en tiempo real son desplegados en el monitor. La Figura 6 muestra detalles de la sonda meteorológica y de la pantalla de despliegue de la información en computadora.
5.1 Descripción de la zona de estudio.
Para la evaluación del sistema integrado del prototipo de muestreo, se llevaron a cabo una serie de elevaciones del globo cautivo en las instalaciones del Centro de Ciencias de la Atmósfera (CCA) de la Universidad Nacional Autónoma de México localizada al suroeste de la ZMCM (19◦19′33.07” N, 99◦10′33.41” O). El CCA se ubica a aproximadamente 70 m por arriba del nivel medio de la CDMX cuya altitud es de 2200 m. s. n. m., y por su ubicación en la cuenca atmosférica del Valle de México, es regularmente receptor de masas de aire ricas en oxidantes fotoquímicos generados viento arriba dentro de la mancha urbana de esta zona metropolitana. El CCA se encuentra ubicado entre varios edificios mayores a 15 m de altura en un área parcialmente arbolada, El sitio de estudio colinda con avenidas cercanas con tráfico vehicular relativamente pesado, además está cerca de una estación de metro donde muchos autobuses y minibuses hacen la terminal. Un sector urbano altamente poblado se ubica al oeste del sitio de monitoreo. [Figura 7].
5.2 Descripción del programa de lanzamientos del globo cautivo instrumentado.
Para la evaluación se decidió anclar dos sistemas esclavos a la línea de sujeción del globo cautivo a 100 m (altura máxima por restricciones de espacio aéreo de la CDMX) y a 50 m, en tanto que un tercer tren de muestreo fue colocado a nivel superficie (0 m). El sistema esclavo de muestreo a 100 m fue anclado a aproximadamente 0.5 m debajo de la sonda meteorológica, que a su vez fue anclado a la misma cuerda de sujeción del globo a aproximadamente 1 m por debajo de él. Este arreglo permitió obtener la meteorología asociada a este punto de muestreo de los COVs. El sistema de muestreo a 50 m no incluyó sonda meteorológica, en tanto que para el nivel cercano a la superficie se contó con datos de una estación meteorológica fija ubicada en la azotea del CCA a aproximadamente 25 m de la superficie. La Figura 8 ilustra en forma esquemática el arreglo final, imágenes del levantamiento del globo, y una ilustración idealizada del globo y los tres sistemas esclavos de muestreo de COVs montados en el sistema del globo instrumentado en una panorámica en 3 dimensiones en el sitio de muestreo en el suroeste de la ZMCM.

Figura 8 (a) Esquema idealizado del sistema de muestreo de COVs con ayuda de un globo cautivo anclado a una sonda meteorológica; (b) imagen de un lanzamiento de muestreo; y (c) perfil de un levantamiento idealizado sobre una panorámica hacia la ZMCM con orientación sur-norte a partir del sitio de muestreo.
Se realizaron tres lanzamientos de pruebas de muestreo en dos días hábiles de marzo de 2017 considerando que los meses de marzo y abril corresponden a la así llamada “temporada de ozono” en la ZMCM [33]. Asimismo, y con el fin de capturar la posible influencia de la turbulencia asociada al rompimiento de la capa de inversión superficial nocturna y la influencia del mezclado completo dentro de la capa limite, se realizaron los levantamientos entre las 9:00 y las 13:00 horas tiempo local. El flujo promedio del aire muestreado fue de 150 ml/min que, considerando un tiempo de muestreo de 40 min, permitieron muestrear un volumen de ∼ 6 L.
6. Análisis de COVs
Una vez realizados los muestreos, los cartuchos de muestreo y los blancos asociados fueron analizados por cromatografía de gases con un cromatógrafo marca Agilent Technologies acoplado a un espectrómetro de masas utilizando helio como gas de acarreo de acuerdo con métodos recomendados por la US EPA. La primera termodesorción se realizó utilizando la chaqueta de calentamiento a 350◦C sobre el cartucho muestreado y guiados al punto criogénico hasta -20◦C durante 6 minutos. La temperatura inicial de cada corrida en el horno fue de -20◦C por 1.3 minutos siguiendo una rampa de 5◦C min−1 hasta 250◦C en donde se mantuvo en condiciones isotérmicas durante 10 minutos. El tiempo total de cada corrida fue de aproximadamente 60 min. La curva de calibración se realizó con una mezcla de 53 estándares de COVs en fase gas (marca Spectra) con una concentración de 1 ppm de cada especie. Las especies determinadas incluyeron desde C5 en adelante por ser la espectroscopia de masas específica para este tipo de COVs. Se analizaron 24 cartuchos de muestreo incluyendo blancos para 40 especies.
6.1 Determinación de la edad fotoquímica.
La edad fotoquímica es un indicador de la duración del procesamiento fotoquímico de una especie química con respecto al radical OH, y no una medida de la vida “física” de un compuesto desde que fue emitido [34],[35]. Por esta razón se debe tener cuidado en la interpretación de este indicador, ya que si bien es un estimador semi-cuantitativo de la edad de un compuesto, su valor es dependiente de la concentración del radical OH, el cual se asume es siempre constante.
Una aproximación cualitativa de la edad fotoquímica es el cociente de las concentraciones tolueno/benceno que fueron medidos simultáneamente.
Este se utiliza frecuentemente como indicador de emisiones vehiculares ya que el contenido de tolueno en las gasolinas y en las emisiones de los escapes es del orden de entre 3-4 veces más alto que el de benceno [36]. De esta forma, se asume que T/B entre 1-3 es indicador de emisiones vehiculares, mientras que T/B > 3 indica dominancia de descargas industriales. Además, la actividad química del tolueno en la atmósfera es de aproximadamente 5 veces más alta que la del benceno, siendo su tiempo de vida en la atmósfera de 1.9 y 9.4 días respectivamente (asumiendo (OH)=106 radicales cm−3 [37]). Así, se considera que este cociente es un indicador del envejecimiento químico y, en consecuencia, de la proximidad de las fuentes de emisión al sitio de muestreo. Otra forma indicadora cualitativa es el cociente volumétrico simple xileno/etilbenceno (X/E, ppb v /ppb v ). En general cocientes X/E bajos están asociados a la ocurrencia de una actividad fotoquímica activa en parcelas de aire “jóvenes”, mientras que valores altos indican parcelas de aire con emisiones “viejas”.
El grado de envejecimiento fotoquímico expresado en unidades de tiempo se obtiene mediante la Ecuación1:
Donde, CE12 es el cociente de las concentraciones en la emisión del COV1 y el COV2 al tiempo, t = 0; (COV1) y (COV2) la concentración medida al tiempo, ∆t, después de la emisión; k1 y k2 son las respectivas constantes de velocidad de reacción con el OH; y (OH) la concentración promedio de este radical. Básicamente, esta expresión compara que tan rápido dos especies de COVs que fueron emitidos en teoría al mismo tiempo son removidas de la atmósfera debido a su reacción con el radical OH [38]. Para el caso particular de esta evaluación se utilizaron las especies m, p-xileno (X) y etilbenceno (E), cuyos tiempos de vida son de ∼12-20 horas y de ∼1.6 días respectivamente. Las constantes de velocidad de reacción utilizadas (k1 y k2) fueron: k m,p−xileno ∼2.05×10−11 cm3 moléculas−1 s−1 y k etilbenceno ∼7.1 × 10−12 cm3 moléculas−1 s−1, respectivamente. En tanto que la concentración promedio del radical OH utilizada fue de 3.2×106 moléculas cm−3 [39]. Las emisiones de los escapes y el uso de solventes son las principales fuentes de estos dos COVs en la ZMCM [40]. Las concentraciones iniciales del cociente X/E fueron obtenidas de una revisión bibliográfica de diferentes fuentes que indican que este cociente prácticamente no varía en muchas partes del mundo, y que se asume equivalente a 3.8 [4],[38].
6.2 Determinación del potencial de formación de ozono.
El potencial de formación de ozono (OFP, por sus siglas en ingles Ozone Formation Potential), es un índice que ha sido ampliamente utilizado para evaluar las contribuciones relativas de COVs en el ambiente para la formación de O3 [40],[41]. El OFP para cada una de las especies medidas de COVs puede calcularse multiplicando la concentración por su correspondiente factor de “máximo incremento de reactividad” (MIR) desarrollado por Carter [42]. El OFP de la muestra puede ser calculado en términos de ppbv de ozono como la suma de los OFP de las especies de COVs consideradas con la Ecuación 2:
donde: OFP i es el potencial integrado de formación de ozono de la muestra (ppb v ); MIR i es el incremento máximo de reactividad del compuesto “i”; Yi es la concentración del compuesto “i” (ppb v ); Mi es el peso molecular del compuesto “i” (g/mol); y M O 3 es el peso molecular del ozono (g/mol). En el caso ejemplo presentado se considera el MIR para los principales COV s aromáticos medidos. Los valores MIR para este grupo de compuestos fueron obtenidos de Carter [43].
6.3 Determinación del cociente C6H14/tolueno.
Mientras que el uso de cocientes de COV s con diferentes tiempos de vida permite aproximar la edad fotoquímica, los cocientes de concentraciones de compuestos orgánicos con tiempos de vida similares pueden ser utilizados para identificar la influencia relativa de diferentes tipos de fuentes de emisión de COV s incluyendo su magnitud [15]. Un ejemplo, es el cociente C6H14/tolueno (donde C6H14 representa a los isómeros del hexano exceptuando el 2, 2-dimetilbutano, todos con un tiempo de vida de alrededor de 2 días). En general, la principal fuente de emisión de C6H14 son las fuentes móviles, mientras que las principales fuentes de emisión de tolueno son evaporaciones de combustibles, industriales y móviles. De esta forma, un cociente “alto” indica que dominan las emisiones móviles, mientras que un cociente “bajo” refleja la dominancia de evaporaciones de combustibles como gasolina.
6.4 Concentración de ozono.
El patrón de concentraciones horarias de ozono en el sitio de muestreo fue obtenido de los registros continuos de la estación de monitoreo del CCA de la Red Automática de Monitoreo Atmosférico, de la Secretaría del Medio Ambiente de la Ciudad de México cuyos datos están disponibles al público [44].
7. Resultados y discusión
Se realizaron 4 lanzamientos de globo de los cuales uno de ellos fue con objeto de pruebas de ascenso y descenso con arranques y paros a diferentes alturas. Los resultados obtenidos de los otros tres lanzamientos indican que en general la suma de las concentraciones de los 40 compuestos determinados fue relativamente constante en los tres niveles, pero en lo individual sí se observaron cambios con respecto al nivel. La Tabla 1 presenta los resultados de las concentraciones medias para las diferentes pruebas.
Las concentraciones medidas a nivel superficie representan niveles por arriba de los niveles reportados en otras ciudades, aún a pesar de que el sitio de muestreo se ubica fuera de los sectores de mayor emisión en la ZMCM. La Tabla 2 presenta un resumen comparativo de las concentraciones promedio obtenidas durante el presente estudio, e incluye dos sitios de referencia para el caso de la Ciudad de México, como de otras ciudades.
Tabla 1 Concentraciones observadas (en ppb v ) de 40 COV s de C 5 en adelante en pruebas de evaluación de sistema miniaturizado de muestreo con globo cautivo a varios niveles de altura y a nivel superficie en el suroeste de la ZMCM con inicio en las horas marcadas. Los compuestos están ordenados por peso molecular y los marcados en gris fueron considerados para la evaluación del potencial de formación de ozono.
| Compuesto | Miércoles 8 de Marzo 2017 | Viernes 10 de Marzo 2017 | ||||||||||
| 9:00 a. m. | 11:00 a. m. | 10:30 a. m. | 12:00 p. m. | |||||||||
| 0 m | 50 m | 100 m | 0 m | 50 m | 100 m | 0 m | 50 m | 100 m | 0 m | 50 m | 100 m | |
| 1-Penteno | 0.137 | 0.337 | 0.903 | 0.448 | 0.016 | 0.084 | 0.047 | Pruebas | Pruebas | 0.149 | 0.139 | 0.031 |
| Pentano | 1.278 | 1.257 | 1.608 | 1.197 | 0.820 | 0.916 | 1.169 | Pruebas | Pruebas | 1.054 | 1.249 | 1.593 |
| Isopreno | 0.202 | 0.155 | 0.165 | 0.054 | 0.109 | 0.113 | 0.137 | Pruebas | Pruebas | 0.165 | 0.164 | 0.151 |
| cis-2-Penteno | 0.247 | 0.214 | 0.300 | 0.246 | 0.095 | 0.121 | 0.115 | Pruebas | Pruebas | 0.105 | 0.000 | 0.142 |
| trans-2-Penteno | 0.482 | 0.443 | 0.539 | 0.474 | 0.182 | 0.269 | 0.353 | Pruebas | Pruebas | 0.348 | 0.254 | 0.115 |
| 2,2-Dimetilbutano | 0.439 | 0.429 | 0.484 | 0.538 | 0.299 | 0.305 | 0.475 | Pruebas | Pruebas | 0.443 | 0.505 | 0.523 |
| 2-Metilpentano | 1.051 | 0.972 | 1.143 | 0.908 | 0.669 | 0.745 | 1.028 | Pruebas | Pruebas | 0.982 | 1.119 | 1.156 |
| 3-Metilpentano | 0.621 | 0.599 | 0.660 | 0.516 | 0.447 | 0.463 | 0.654 | Pruebas | Pruebas | 0.603 | 0.671 | 0.726 |
| Hexano | 0.747 | 0.713 | 0.854 | 0.692 | 0.568 | 0.580 | 0.797 | Pruebas | Pruebas | 0.785 | 0.874 | 0.962 |
| Metilciclopentano | 0.344 | 0.334 | 0.360 | 0.257 | 0.232 | 0.247 | 0.344 | Pruebas | Pruebas | 0.326 | 0.362 | 0.379 |
| 2,4-Dimetilpentano | 0.215 | 0.213 | 0.228 | 0.147 | 0.128 | 0.126 | 0.237 | Pruebas | Pruebas | 0.201 | 0.222 | 0.244 |
| Benceno | 0.745 | 0.644 | 0.651 | 0.640 | 0.530 | 0.370 | 0.642 | Pruebas | Pruebas | 0.751 | 0.623 | 0.695 |
| Ciclohexano | 1.199 | 1.137 | 0.736 | 0.653 | 0.870 | 0.886 | 1.822 | Pruebas | Pruebas | 1.481 | 1.768 | 1.838 |
| 2-Metilhexano | 0.515 | 0.479 | 0.530 | 0.033 | 0.321 | 0.294 | 0.739 | Pruebas | Pruebas | 0.620 | 0.661 | 0.739 |
| 2,3-Dimetilpentano | 0.271 | 0.261 | 0.267 | 0.121 | 0.161 | 0.162 | 0.307 | Pruebas | Pruebas | 0.266 | 0.275 | 0.315 |
| 3-Metilhexano | 0.555 | 0.529 | 0.613 | 0.423 | 0.377 | 0.353 | 0.725 | Pruebas | Pruebas | 0.648 | 0.690 | 0.769 |
| 2,2,4-Trimetilpentano | 0.804 | 0.804 | 0.817 | 0.590 | 0.521 | 0.372 | 0.901 | Pruebas | Pruebas | 0.793 | 0.806 | 0.922 |
| Heptano | 0.442 | 0.395 | 0.456 | 0.335 | 0.279 | 0.228 | 0.503 | Pruebas | Pruebas | 0.448 | 0.451 | 0.540 |
| Metilciclohexano | 0.229 | 0.219 | 0.238 | 0.008 | 0.149 | 0.141 | 0.218 | Pruebas | Pruebas | 0.197 | 0.199 | 0.221 |
| 2,3,4-Trimetilpentano | 0.547 | 0.510 | 0.587 | 0.219 | 0.350 | 0.324 | 0.308 | Pruebas | Pruebas | 0.480 | 0.404 | 0.559 |
| Tolueno | 3.073 | 2.883 | 3.321 | 3.624 | 2.634 | 1.455 | 4.687 | Pruebas | Pruebas | 4.364 | 4.006 | 4.984 |
| 2-Metilheptano | 0.038 | 0.030 | 0.038 | 0.058 | 0.019 | 0.009 | 0.063 | Pruebas | Pruebas | 0.030 | 0.026 | 0.035 |
| 3-Metilheptano | 0.107 | 0.079 | 0.086 | 0.152 | 0.062 | 0.039 | 0.167 | Pruebas | Pruebas | 0.075 | 0.069 | 0.097 |
| Octano | 0.129 | 0.098 | 0.140 | 0.098 | 0.070 | 0.052 | 0.119 | Pruebas | Pruebas | 0.101 | 0.087 | 0.117 |
| Etilbenceno | 0.710 | 0.524 | 0.775 | 0.646 | 0.468 | 0.210 | 0.823 | Pruebas | Pruebas | 0.986 | 0.755 | 1.030 |
| m/p Xileno | 0.782 | 0.588 | 0.876 | 0.656 | 0.464 | 0.076 | 0.708 | Pruebas | Pruebas | 0.946 | 0.670 | 0.951 |
| Estireno | 0.174 | 0.156 | 0.149 | 0.118 | 0.103 | 0.128 | 0.101 | Pruebas | Pruebas | 0.096 | 0.110 | 0.134 |
| o-Xileno | 0.943 | 0.748 | 1.026 | 0.826 | 0.557 | 0.122 | 0.911 | Pruebas | Pruebas | 1.148 | 0.873 | 1.170 |
| Nonano | 0.447 | 0.370 | 0.493 | 0.403 | 0.393 | 0.370 | 0.419 | Pruebas | Pruebas | 0.395 | 0.381 | 0.497 |
| Isopropilbenceno | 0.043 | 0.027 | 0.048 | 0.032 | 0.021 | 0.005 | 0.050 | Pruebas | Pruebas | 0.052 | 0.037 | 0.059 |
| n-propilbenceno | 0.151 | 0.107 | 0.164 | 0.124 | 0.086 | 0.064 | 0.145 | Pruebas | Pruebas | 0.148 | 0.123 | 0.179 |
| m/p-Etiltolueno | 0.382 | 0.219 | 0.426 | 0.265 | 0.141 | 0.182 | 0.318 | Pruebas | Pruebas | 0.299 | 0.231 | 0.346 |
| 1,3,5-Trimetilbenceno | 0.093 | 0.076 | 0.109 | 0.046 | 0.034 | 0.044 | 0.055 | Pruebas | Pruebas | 0.050 | 0.039 | 0.058 |
| o-Etiltolueno | 0.326 | 0.269 | 0.366 | 0.264 | 0.231 | 0.194 | 0.292 | Pruebas | Pruebas | 0.291 | 0.254 | 0.343 |
| 1,2,4-Trimetilbenceno | 0.638 | 0.394 | 0.669 | 0.376 | 0.179 | 0.283 | 0.433 | Pruebas | Pruebas | 0.400 | 0.246 | 0.446 |
| Decano | 0.052 | 0.031 | 0.076 | 0.057 | 0.013 | 0.045 | 0.053 | Pruebas | Pruebas | 0.058 | 0.013 | 0.065 |
| 1,2,3-Trimetilbenceno | 0.187 | 0.137 | 0.214 | 0.128 | 0.080 | 0.115 | 0.147 | Pruebas | Pruebas | 0.139 | 0.089 | 0.154 |
| m-dietilbenceno | 0.603 | 0.130 | 0.213 | 0.095 | 0.076 | 0.128 | 0.126 | Pruebas | Pruebas | 0.081 | 0.089 | 0.125 |
| p-dietilbenceno | 0.136 | 0.096 | 0.133 | 0.059 | 0.052 | 0.090 | 0.087 | Pruebas | Pruebas | 0.071 | 0.053 | 0.077 |
| Undecano-Dodecano | 0.065 | 0.039 | 0.120 | 0.069 | 0.004 | 0.048 | 0.055 | Pruebas | Pruebas | 0.079 | 0.001 | 0.094 |
| Suma | 20.148 | 17.643 | 21.581 | 16.595 | 12.807 | 10.758 | 21.280 | - | - | 20.655 | 19.590 | 23.582 |
Tabla 2 Comparación de las concentraciones promedio de una selección de COVs reportados en la literatura para diferentes tipos de atmósferas. Todos los valores están expresados en ppbv. Referencias:[39],[45],[46],[47] y [48].
| Este estudio | [45] | [39] | [46] | [47] | [48] | [48] | |
| 1-Penteno | 0.19 | 0.31 | 0.04 | 0.10 | 0.10 | ||
| Pentano | 1.17 | 3.72 | 0.64 | 1.05 | 1.00 | 1.30 | 0.54 |
| Isopreno | 0.14 | 0.18 | 0.02 | 0.34 | 0.40 | ||
| 2,2-Dimetilbutano | 0.47 | 0.25 | 0.15 | 0.20 | |||
| Hexano | 0.76 | 5.35 | 0.33 | 0.30 | 0.59 | 0.15 | |
| Benceno | 0.69 | 1.54 | 0.41 | 0.38 | 1.40 | 0.57 | 0.32 |
| 2,2,4-Trimetilpentano | 0.77 | 0.91 | 0.16 | 0.40 | |||
| Heptano | 0.43 | 0.11 | 0.20 | 0.36 | 0.09 | ||
| Tolueno | 3.94 | 9.48 | 1.26 | 1.59 | 2.60 | 2.01 | 1.00 |
| Etilbenceno | 0.79 | 1.14 | 0.10 | 0.27 | 0.10 | 0.26 | 0.14 |
| m/p Xileno | 0.77 | 0.70 | 0.50 | 1.03 | 0.79 | ||
| o-Xileno | 0.96 | 2.53 | 0.04 | 0.39 | 0.30 | 0.36 | 0.20 |
| 1,3,5-Trimetilbenceno | 0.06 | 0.33 | 0.01 | 0.14 |
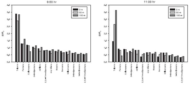
La Figura 9 muestra a manera de ejemplo las concentraciones observadas de las 13 especies de COV s más abundantes entre las 9:00 y las 11:00 h a los 3 diferentes niveles de altura el día 8 de marzo de 2017. En general todas las especies presentaron cambios con respecto a la altura en la elevación del globo a las 11 h. No obstante, claramente se observa la dominancia del tolueno en todos casos, aunque en el muestreo de las 11:00 h si hubo diferencias en sus concentraciones con respecto a la altura. Este efecto esperado se discute más adelante.

Figura 9 Perfil de concentraciones de los 13 compuestos medidos más abundantes a los niveles 0 m, 50 m y 100 m de altura sobre la superficie con inicio a las 9:00 y 11:00 horas y una duración de 40 min de muestreo para el 8 de marzo de 2017 en el suroeste de la ZMCM.
La abundancia del tolueno en los compuestos aromáticos de la ZMCM ha sido observada históricamente [40],[45],[49]. En general los niveles se han reducido entre antes del año 2000 y 2012. Garzón [40] obtiene promedios para tolueno y benceno, dos de los indicadores típicamente utilizados para observar tendencias, de aproximadamente 8 ppb v y 2 ppb v , respectivamente en mediciones de varios sitios de la zona urbana en 2012, en tanto que Jaimes [49] reporta promedios de 3.3 ± 1.91 ppb v y 0.8 ± 0.26 ppb v , respectivamente, para un sitio cercano al CCA en la zona suroeste de la ZMCM en ese mismo año. Los niveles observados a nivel superficie en el presente estudio oscilaron dentro de los mismos intervalos de Jaimes [49]. En forma preliminar y considerando el número reducido de muestras, se puede mencionar que de 2012 a 2017 no se aprecia mayor reducción en los niveles de tolueno y benceno.
Por otro lado, al hacer una comparación entre los perfiles verticales de COVs reportados por otros autores en estudios parecidos en el pasado para la Ciudad de México confirma la reducción en los niveles de tolueno y benceno entre 2003 y 2017, aunque el cambio en el cociente T/B no es tan evidente con el tiempo. La Figura 10 muestra la comparación entre los resultados del presente estudio con otras mediciones realizadas por Wöhrnschimmel [50] en abril de 2006 en CENICA al sureste de la ciudad y por Velasco [4] en Ciudad Universitaria, a 3 kilómetros al oeste del CCA también en abril de 2003. En estos dos casos se utilizó un globo cautivo al que se le ancló un tubo de teflón de poco más de 200 m a través del cual se succionó aire ambiente hacia la superficie donde se capturo una muestra semi-instantánea por un periodo de 4 minutos en cánisters de acero inoxidable para el análisis de COV s . Si bien este tipo de muestreo podría tener pérdidas en las concentraciones de los COV s más reactivos por contacto con las paredes del tubo y/o por reacciones con otros contaminantes acarreados en la corriente de aire, además de representar sólo 4 minutos a diferencia del muestreador prototipo que colecta una muestra por 40 minutos, la comparación permite realizar inferencias importantes de la dinámica atmosférica.
La Figuras 10 (a) y 10 (b) muestran que el benceno y el tolueno en las muestras de 2003 tienen una gran variación en sus concentraciones en los tres niveles considerados. Tanto Wöhrnschimmel [50] como Velasco [4] atribuyen estas diferencias a los efectos de dispersión e intensidad de mezclado, incluso hasta de la dirección de proveniencia de las parcelas de aire con la altura. En general el benceno tendió en todos los perfiles a disminuir al nivel de 50 m siendo este gradiente más pronunciado cuando su concentración en superficie es alta, mientras que en las mediciones a 100 m se observa más tendencia al incremento, incluso en ocasiones es mayor aún el nivel que el registrado en superficie. Por otro lado, el tolueno tanto a 50 m como a 100 m en ocasiones disminuye, pero en las otras aumenta también a niveles mayores que en superficie. Por su parte, el cociente T/B al nivel de superficie muestra que hay un enriquecimiento de tolueno adicional al esperado por las emisiones de fuentes móviles oscilando en un rango entre 5.8 a 9, cuando por fuentes vehiculares sería cercano a 4. Esto sugiere que las emisiones evaporativas de gasolinas y solventes de pintura e industriales no se han reducido substancialmente en el tiempo. Sin embargo, el cociente T/B tiende a disminuir en al menos 4 de los 6 casos al nivel de los 50 m para seguir esa tendencia a los 100 m en 5 del total de los valores reportados.

Figura 10 Perfil lineal vertical de las concentraciones de: (a) benceno; (b) tolueno; y, (c) el cociente T/B medidos a los niveles de 0 m, 50 m y 100 m de altura sobre la superficie en torno al mediodía en los sitios CENICA al sureste (SE) de la zona urbana en abril de 2003; en Ciudad Universitaria el suroeste (SO) de la ciudad en marzo-abril de 2003; y en el suroeste (CCA) también de la ZMCM en marzo de 2017.
Esto indica que por abajo del dosel urbano hay una dispersión limitada que permite una mayor actividad de reacción del tolueno, además de que hay una mayor influencia de las emisiones cercanas al sitio de muestreo, en tanto que por arriba del dosel se mantienen más tiempo las concentraciones altas, aunque el cociente T/B indica en general que las parcelas tiene ya cierto grado de envejecimiento fotoquímico mayor y que representan emisiones mas alejadas de los sitios de muestreo en superficie.
Es posible que el muestreo con cartuchos por 40 minutos permita obtener un promedio más representativo de las variaciones de los COV s en estos niveles mientras que el muestreo con cánisters sea más una foto “instantánea” que no represente los cambios cortos asociados a los mecanismos de turbulencia, dispersión e incluso reacción de los COV s más reactivos por abajo y arriba del dosel urbano.
Con el objeto de verificar si la información preliminar deducida del cociente T/B es aceptable, se estimaron las edades fotoquímicas de los perfiles de etilbenceno y m,p-xileno, los cocientes C6H14/tolueno y el potencial de formación de ozono de los perfiles 8 de marzo de 2017. Dado que estos perfiles corresponden al promedio de las concentraciones observadas en los muestreos entre las 9:00 y las 11:00 horas, se realizó una interpolación lineal entre los valores de cada nivel a fin de aproximar el perfil de contornos hipotético esperado para un muestreo que hubiera sido realizado a las 10:00 horas. La Figura 11 muestra los gráficos correspondientes.
La gráfica de la edad fotoquímica sugiere que entre las 9 y hasta aproximadamente las 10:40 de la mañana, el m,p-xileno y el etilbenceno dentro y por arriba del dosel urbano tenían un equivalente de tiempo de remoción de unas 8 horas, pero después de esa hora se detecta la presencia de masas de aire con una edad mayor a las 14 horas por arriba de los 80 m sobre la superficie. Dado que por la noche los niveles de OH se consideran mínimos, es factible que la mayor parte del xileno y el etilbenceno hayan sido emitidos por la tarde del día anterior quedando atrapadas por arriba de la capa de mezcla al reformarse esta al anochecer. Al romperse esta capa de inversión por la mañana, rápidamente hubo un acarreo de los niveles remanentes de X y E que se mezclaron con los del nuevo día para dar por resultado la edad del orden de 8 horas. Las parcelas de aire con mayor edad observadas en la altura pudieron ser masas de aire lejanas transportadas por arriba de la capa de inversión.
Lo anterior parece corroborarse con la gráfica del perfil de contornos del potencial de formación de ozono. Entre las 9:00 y las 10:40 horas el OFP es alto indicando que la actividad de formación de ozono a partir de los COV s es intensa, lo cual se observa con la elevación en los niveles de ozono. Después de las 10:40 horas el OFP continúa siendo intenso por abajo del dosel urbano, pero en la altura el OFP de las parcelas de aire que pasan por el CCA conllevan un OFP mucho menor lo que indica que ya fueron agotadas y que contienen posiblemente un contenido de ozono relativamente mayor que en las capas bajas. Esta situación se observa en el perfil de ozono que claramente muestra un incremento mayor conforme las parcelas envejecidas se mezclan con las masas de aire por abajo del dosel urbano.

Figura 11 Gráficas X, Y, Z de contorno de los indicadores: (a) edad fotoquímica en función al cociente Xileno/Tolueno; (b) potencial de formación de ozono, OFP; y, (c) el cociente C6H14/T con respecto a la altura sobre la superficie y la hora del 8 de marzo de 2017 en el suroeste de la ZMCM. El perfil de la concentración de ozono medida en el CCA se muestra insertado en la gráfica de la edad fotoquímica.
Finalmente, el perfil de contornos del cociente C6H14/tolueno muestra que en la altura dominaron las contribuciones emisiones de fuentes vehiculares, en particular en las parcelas de aire envejecidas, mientras que por abajo del dosel las contribuciones de evaporaciones de combustibles fueron las dominantes posiblemente más locales.
8. Conclusiones
Se diseñó e integró un prototipo de muestreo miniaturizado programable para la captura de COV s en cartuchos empacados que permite la medición simultánea a diferentes alturas con la ayuda de un globo cautivo meteorológico a alturas diferentes en periodos de muestreo acordes con las necesidades del investigador. El sistema de peso relativamente bajo, de fácil manejo y programación, ya que cuenta con un software amigable, además de un costo bajo de ensamblado. Sus mantenimientos correctivos son económicos ya que todos los componentes se consiguen en el mercado tradicional típico de componentes electrónicos.
La aplicabilidad del sistema miniaturizado fue demostrada en una campaña corta de muestreos a los niveles 0 m, 50 m, y 100 m sobre la superficie en un sitio al suroeste de la ZMCM durante abril de 2017. Los perfiles de las concentraciones de COV s determinadas fueron comparados tanto con registros previos obtenidos a nivel superficie como en perfiles verticales utilizando métodos de muestreo menos dinámicos. En general se observó concurrencia en los valores esperados considerando las medidas de control que a partir del año 2000 han aplicado las autoridades del medio ambiente en México. El tolueno sigue siendo el compuesto más abundante en cualquier nivel de altura.
La estimación cualitativa de la edad fotoquímica de parcelas de aire a partir de los muestreos de COV s a 3 diferentes alturas tomando como compuestos de referencia el tolueno y benceno muestra que el nivel de altura puede ser un factor importante en este estimado. La comparación con estudios previos coincide en el hecho de que no hay un patrón constante en los perfiles siendo los niveles por arriba del dosel urbano mayores y/o menores que los observados en la superficie, aunque el cociente T/B es consistente con los resultados previos reportados que indican que no han ocurrido cambios importantes en el tiempo.
El cálculo de la edad fotoquímica aplicado a los muestreos con el prototipo desarrollado muestra que la altura y la hora del muestreo es esencial en la determinación del envejecimiento de las parcelas de aire. En el ejemplo presentado, la edad es menor por la mañana y tiende a ser mayor conforme avanza la hora del día en respuesta a la dinámica de cambios meteorológicos como el crecimiento de la capa de mezcla, la llegada de masas de aire transportadas advectivamente y que a mayor altura viajan más rápidamente debido a que hay menos obstrucción al flujo de las masas de aire. Claramente se encuentra que no se obtienen los mismos resultados e interpretaciones para entender la dinámica química de formación de ozono con la realización de mediciones a nivel superficie, por lo que sistemas de muestreo como el aquí presentado pueden ser un componente adicional importante en estudios de química atmosférica y transporte de contaminantes.






















